Машины для упаковки 60rpm через снабжение жилищем нержавеющей стали кольца выскальзывания скважины
Работая скорость 60 rpm со скважиной через снабжение жилищем кольца выскальзывания алюминиевое alloy+stainless скважины стальное, напряжением тока 380VAC 80mm внутренней.
Кольца выскальзывания включают передачу электричества или сигнала через вращающую часть, как те найденные в антеннах радиолокатора, орудийных башнях, перископах, electro-оптических карданных подвесах датчика и спутниках космоса. Сползая контакт установлен щеткой которая отжимает против кольца металла. Это кольцо выскальзывания ECN080-04P2-08P1 с до конца бурит размер 80mm, со скоростью .it 60 rpm работая может совместить с power.signal.Ethernet, USB, контролем Net.CANBUS. PROFIBUS. Оно смогл также быть установлен валом или опционной установкой фланца. Оно широко использован для вьюрков кабеля, ветрогенераторов, для освещая индустрии, камеры, автомобильные применения и для научных исследований и разработки .CENO также может обеспечить различные решения согласно requirments клиента, пожалуйста свяжется мы электронной почтой sales@ceno360.com.
 
Спецификация
 
| ECN080-04P2-08P1 | Спецификация | 
| Цепи & течение | 4*10A, 8*5A | 
| Напряжение тока | 0~380VAC | 
| Диэлектрическая прочность | ≥ 1000V@50Hz | 
| Сопротивление изоляции | ≥500MΩ@300VDC | 
| Электрический шум | MΩ Макс 70 (50 rpm) | 
| Скорость обработки | 0-60 rpm | 
| Материал контакта | Драгоценный металл | 
| Расквартировывать материал | Алюминиевый сплав + нержавеющая сталь | 
| Ранг IP | IP54 | 
| Внутренний пробурите размер | 80 mm | 
| Путь установки | Установка вала | 
 
Особенности
Применения
 
  
Опционный
 
 
 
  
 
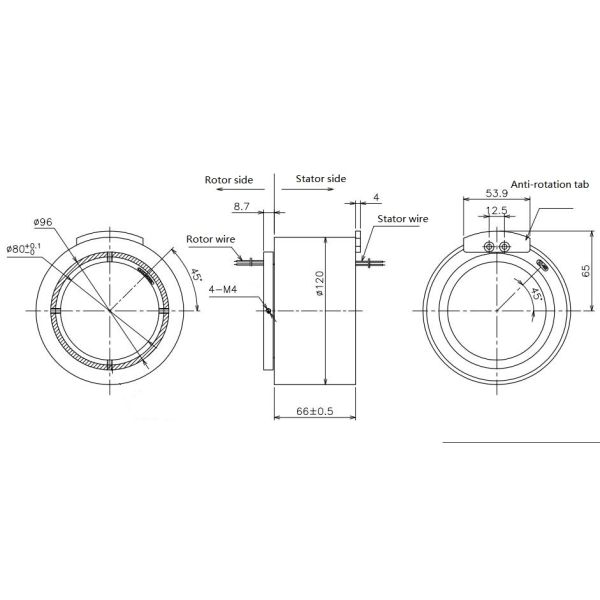
Чертеж плана
 
 
 
 
 
 
  
Почему с CENO
 
CENO одна технологически компания в поле кольца выскальзывания которое включает научные исследования и разработки, производство и продажи. Мы выдвигали аппаратуры оборудования и теста высокой точности для обеспечения качеств продукции и надежного характеристики рабочого. Зона объекта покрывает 3000 квадратных метров и обнаруженная местонахождение в Шэньчжэне Китае.

 
Аттестация
ISO9001, CE, RoHS, UL, взрывозащищенный

 
Преимущество CENO
Член в проектировать команду имеет больше многолетний опыт чем 10 в поле кольца выскальзывания. Операторы работают на критической процедуре всем квалифицированы внутренней тренировкой.
 
Обслуживание CENO обеспечивает
24 часа, обслуживание консультанта 7days.
Массовая и подгонянная продукция.
Решение offerring для системы вращения 360°.
 
 
Добро пожаловать, который нужно посоветовать с нами с вашими запросами для любой системы вращения 360°. Мы снабдим одно обслуживание стопа вы своевременные отвечаем ваши дознания.