Материал контакта драгоценного металла соединения Rpm поезда 1420 высокоскоростной роторный
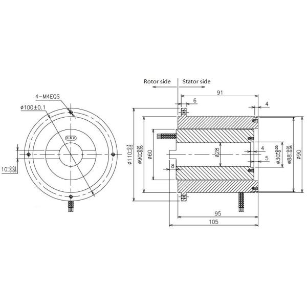
Высокоскоростное кольцо выскальзывания с 1420 rpm внутренними бурит размер 28mm, 0~380VAC/VDC, снабжение жилищем алюминиевого сплава, используемое для быстроходного поезда, оборудование для испытаний.
Как электрическая часть передачи 360 градусов вращая, кольцо выскальзывания CENO может передать настоящее и сигналы, как USB, SDI, локальные сети, сигнал датчика, и кольца выскальзывания серии оптически сигнала etc.ECN высокоскоростные допуски требования очень высокие точные роторов, нося космос, высокий запрос концентричности роторов с другими родственными частями. Также мы имеем особенную форму кольца и размер колец к grantee низкий тариф носки out.ECN028-03P3 с высокой работая скоростью 1420 rpm, внутренний размер скважины 28mm которое мы конструировали согласно скорости вращения кольца выскальзывания клиента requirements.CENO высокоскоростной максимальной до 10000rpm. Он широко использован в быстроходном поезде, оборудовании для испытаний без разрушения, оборудовании для испытаний вихревого тока и так далее. Все особенные требования пожалуйста контактируют с нами .we ответит вы как можно скорее.
Особенности
Применения
Опционный
Спецификация
| ECN028-03P3 | Спецификация |
| Цепи & течение | 3*15A |
| Напряжение тока | 0~380VAC/VDC |
| Диэлектрическая прочность | ≥ 1000VAC@50Hz |
| Сопротивление изоляции | ≥500MΩ@500VDC |
| Электрический шум | ≤ 30mΩ (50 rpm) |
| Скорость обработки | 0-1420 rpm |
| Материал контакта | Драгоценный металл |
| Расквартировывать материал | Алюминиевый сплав |
| Через размер скважины | 28 mm |
| Ранг IP | IP44 |
| Работая температура | -20°C~ +80°C |
Чертеж плана

Почему с CENO
CENO одна технологически компания в поле кольца выскальзывания которое включает научные исследования и разработки, производство и продажи. Мы выдвигали аппаратуры оборудования и теста высокой точности для обеспечения качеств продукции и надежного характеристики рабочого. Зона объекта покрывает 3000 квадратных метров и обнаруженная местонахождение в Шэньчжэне Китае.

Аттестация
ISO9001, CE, RoHS, UL, взрывозащищенный

Преимущество CENO
Член в проектировать команду имеет больше многолетний опыт чем 10 в поле кольца выскальзывания. Операторы работают на критической процедуре всем квалифицированы внутренней тренировкой.

Обслуживание CENO обеспечивает
24 часа, обслуживание консультанта 7days.
Массовая и подгонянная продукция.
Решение offerring для системы вращения 360°.
Добро пожаловать, который нужно посоветовать с нами с вашими запросами для любой системы вращения 360°. Мы снабдим одно обслуживание стопа вы своевременные отвечаем ваши дознания.