Низкотемпературный кольцо с HD-SDI и Ethernet сигналом для преобразователей HDMI
ECN000-04P2-36S-01EG-01HD - это новое низкотемпературное скользящее кольцо CENO, которое объединяет электрическую мощность, сигналы Ethernet и HD-SDI-данные для низкотемпературных сред.CENO имеют различные функции скольжения кольца и низкой температуры скольжения кольца является одним из нихНизкотемпературный скользящий кольцо имеет более строгий выбор ключевых материалов, как оболочки, подшипники и щетка нитей, конструкция механизма отличается от обычного скользящего кольца также.Дополнительная информация пожалуйста, свяжитесь с нами.
Особенности
Заявления
Необязательно
Спецификация
|
ECN000-04P2-36S-01EG-01HD |
Спецификация |
| Схемы и ток | Электрическая мощность, HD-SDI, Ethernet сигнал и опцион |
| Номинальное напряжение | 220VAC/VDC |
| Диэлектрическая прочность | ≥ 500VAC@50Hz |
| Сопротивление изоляции | ≥ 500MΩ@500VDC |
| Электрический шум | Максимальная мощность 30mΩ (50 оборотов в минуту) |
| Рабочая температура | -40°C~+80°C |
| Рабочая влажность | 60% RH |
| Степень защиты ИС | IP51 |
| Рабочая скорость | 0 ~ 100 оборотов в минуту |
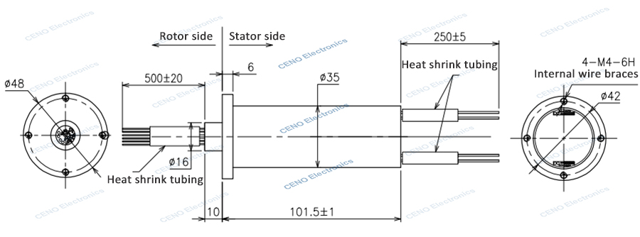
| Внешний диаметр | Ø35 мм |
| Контактный материал | Драгоценный металл |
| Жилой материал | Сплав алюминия |
| Размер свинцового провода |
AWG18# 26# 28# проволока Тефлон® UL; RF 1.13 |
| Длина свинцового провода |
сторона ротора: 500 mm±20 mm; Страна статора: 250 мм±5 мм |
| Установка | Установка фланца |
Очертание контуры

|
Применение
|
Почему с CENO
CENO является одной из технологических компаний в области скользящих колец, которая занимается исследованиями и разработками, производством и продажами.У нас есть современное оборудование и высокоточные испытательные приборы, чтобы обеспечить качество продукции и надежную производительностьОбъект площадью 3000 квадратных метров расположен в Шэньчжэне, Китай.

Сертификация
ISO9001, CE, RoHS, UL, взрывозащищенный

Преимущество CENO
Члены инженерной команды имеют более 10 лет опыта работы в области скольжения. Операторы работают над критическими процедурами, все они квалифицированы на основе внутреннего обучения.
Услуга CENO
24 часа в сутки, 7 дней в неделю.
Массовое и индивидуальное производство.
Решение для системы вращения 360°.
Добро пожаловать, чтобы проконсультироваться с нами с вашими запросами для любой 360 ° системы вращения. Мы предоставим одностороннее обслуживание для вас своевременно ответить на ваши запросы.