Рука робота КавасакиRS010Lиспользование для обработки, погрузки и выгрузки, клея
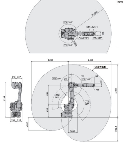
Рука робота Кавасаки RS010L - это высокоскоростной высокопроизводительный промышленный робот, изготовленный корпорацией Kawasaki. Его грузоподъемность составляет 10 кг, горизонтальное расстояние растяжения - 1925 мм,вертикальное расстояние растяжения 3478 мм, повторяемость составляет ± 0,06 мм, а максимальная скорость составляет 13100 мм / с. Робот широко используется в сборке, обработке, обработке материалов и других промышленных областях.
Компактная конструкция робота RS010L и его выдающаяся скорость, охват и диапазон работы делают его подходящим для широкого спектра промышленных применений.высокая скорость и высокая надежность, и может стабильно работать в различных сложных и суровых условиях труда.робот RS010L оснащен различными датчиками и устройствами безопасности для обеспечения безопасности и стабильности работы.
Преимущество:
| Служба | Мы поставляем 3D-модель, фундамент и фланцевые габариты связанных роботов. поставляем обучающее видео для новых клиентов. видео включают как освоить, как подключить кабель,как программировать и так далееЕсли у вас есть какие-либо проблемы, позвоните нам в любое время или отправьте нам электронное письмо. |
| Робот поддерживает | Робот, который мы предлагаем, обслуживается каждые год или 10000 часов. основная работа - это замена масла, вентиляторов, ВПС и так далее. если робот работает в ужасной среде,как низкая температура или влажная средаТак что в таком случае мы предлагаем полгода или 5000 часов на обслуживание. |
| Гарантия | 1 год |
Место происхождения:Япония
Марка: Кавасаки
Номер модели: RS010L
| Тип: Kawasaki RS010L | Вновь используемая полезная нагрузка: 10 кг |
| Протяженность: 1925 мм | Повторяемость: 0,05 мм |
| Ось: 6 | Вес: около 230 кг. |
| Положение установки: пол, потолок | Уровень защиты: IP 67 |
| Оси:6 | Контроллер: F60 |
| Положение | стоимость |
| Применимые отрасли | Гостиницы, магазины одежды, магазины строительных материалов, машиностроительные цеха, ремонтные цеха, производственные заводы, фабрики пищевых продуктов и напитковФермы, рестораны, домашнее хозяйство, розничная торговля, продуктовые магазины, типографии, строительные работы,Энергетика и горнодобывающая промышленность, Магазины продуктов питания и напитков, другие, Рекламная компания |
| После гарантийного обслуживания | Видеотехническая поддержка, Онлайн-поддержка |
| Видеосюжет выездной инспекции | Предоставлено |
| Отчет об испытаниях машины | Предоставлено |
| Гарантия на основные компоненты | 1 год |
| Основные компоненты | ПЛК |
| Состояние | Новый |
| Место происхождения | Япония |
| Гарантия | 1 год |
| Режим обслуживания | Поддержка онлайн |
| Тип | Кавасаки RS010L |
| Номинальная полезная нагрузка | 10 кг |
| Достижение | 1925 мм |
| Повторяемость | 0.05 мм |
| Ось | 6 |
| Вес | Примерно 230 кг. |
| Положение крепления | Пол, потолок. |
| Квалификация защиты | IP67 |
| Контроллер | F60 |


Часто задаваемые вопросы
*Q.Почему мы?
А.Наша компания работает в индустрии роботов уже более пятнадцати лет. Программирование роботов включает KUKA,ABB,YASKAWA,FANUC,ESTUN ((Китайский робот ),EFORT ((Китайский робот).обслуживание после гарантийного периода.
*Q.Что насчет нашей концепции обслуживания?
А:Мы поддерживаем телефонную связь весь день, выступаем на глазах клиентов, чтобы обеспечить рациональное решение и выбор робота.
*Вопрос:Какие продукты мы можем предложить?
А:робот, энергоснабжение для робота, линейный для робота, тренировка для робота, сцепление для обработки.
*Вопрос:Почему вы покупаете у нас?
А:Вы не беспокоитесь о послепродажной проблеме для сотрудничества с нами.
О нас
Компании в "клиент в первую очередь, качество в первую очередь, пользователь в первую очередь" цель, мы будем как всегда теплый и искренний сервис для всех пользователей, друзей и клиентов, создать блестящее завтра.Наши основные клиенты - Baosteel., INO, Volkswagen, Geely и так далее. Более пятнадцати лет опыта работы в индустрии роботов. Наши инженеры могут разработать решение, моделирование, программирование и устранение неполадок. Так что если у вас есть какие-либо проблемы с роботом.Позвони нам в любое время. Мы постараемся изо всех сил решить проблему. Другое преимущество - послепродажное обслуживание, у нас есть запасные части роботов на складе. Мы можем быстро ответить, чтобы помочь вам решить ошибку робота.У нас также есть обучение роботовКурсы включают программирование, электрическое, механическое и экспертное программирование.



