ПромышленностьРобот-рука RD080N применяется для паллитации потребительских товаров, логистической промышленности
Кавасаки Arm RD080N - высокопроизводительный робот-палетчик, специально разработанный для палетных применений.Он использует передовые контроллеры и системы управления с превосходным диапазоном работы и надежностью для удовлетворения большинства потребностей паллеткиРобот RD080N имеет выдающуюся повторяемость и способность быстро обрабатывать, что может значительно повысить эффективность производства и уровень автоматизации.Он имеет легкую конструкцию рук, которая значительно экономит пространство и энергию..
Преимущество:
|
Особенности
|
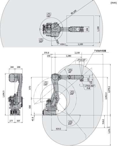
Эта серия роботов подходит для палетной промышленности. Max.Range составляет 3255 мм. Если размер вашей поддоны 1000 мм * 1200 мм, робот может покрыть до 6 поддонов. Как и описано в симуляции.Другое преимущество - время цикла робота. до 800 пакетов в час. так что если ваша заявка палетная. мы предлагаем вам выбрать этот серийный робот. |
| Служба | Мы поставляем 3D-модель, фундамент и фланцевые габариты связанных роботов. поставляем обучающее видео для новых клиентов. видео включают как освоить, как подключить кабель,как программировать и так далееЕсли у вас есть какие-либо проблемы, позвоните нам в любое время или отправьте нам электронное письмо. |
| Робот поддерживает | Робот, который мы предлагаем, обслуживается каждые один год или 10000 часов. основная работа - это замена масла, вентиляторов, ВПС и так далее. если робот работает в ужасной среде,как низкая температура или влажная средаТак что в таком случае мы предлагаем полгода или 5000 часов на обслуживание. |
| Гарантия | 1 год |
Место происхождения: Япония
Марка: Кавасаки
Номер модели: RD080N
| Тип: рукава Кавасаки RD080N | Перегрузка: 80 кг. |
| Доступ: 2100 мм | Повторяемость: 0,07 мм |
| Ось: 5 | Вес: около 540 кг. |
| Положение установки: пол | Уровень защиты: IP67 |
| Мощность: 12 кВт | Контроллер: F03/E03 |
| Положение | стоимость |
| Применимые отрасли | Гостиницы, магазины одежды, магазины строительных материалов, машиностроительные цеха, ремонтные цеха, производственные заводы, фабрики пищевых продуктов и напитковФермы, рестораны, домашнее хозяйство, розничная торговля, продуктовые магазины, типографии, строительные работы,Энергетика и горнодобывающая промышленность, Магазины продуктов питания и напитков, другие, Рекламная компания |
| После гарантийного обслуживания | Видеотехническая поддержка, Онлайн-поддержка |
| Видеосюжеты о выездном осмотре | Предоставлено |
| Отчет об испытаниях машины | Предоставлено |
| Вид сбыта | Горячий продукт 2019 |
| Гарантия на основные компоненты | 1 год |
| Основные компоненты | ПЛК |
| Состояние | Новый |
| Место происхождения | Япония |
| Гарантия | 1 год |
| Режим обслуживания | Поддержка онлайн |
| Тип | Рука Кавасаки RD080N |
| Номинальная полезная нагрузка | 80 кг |
| Достижение | 2100 мм |
| Повторяемость | 00,07 мм |
| Ось | 5 |
| Вес | Примерно 540 кг. |
| Положение крепления | Полы |
| Квалификация защиты | IP67 |
| Мощность: | 12 кВт |
| Контроллер | F03/E03 |


Часто задаваемые вопросы
*Q.Почему мы?
А.Наша компания работает в индустрии роботов более пятнадцати лет. Программирование роботов включает KUKA,ABB,YASKAWA,FANUC,ESTUN ((Китайский робот ),EFORT ((Китайский робот).обслуживание после гарантийного периода.
*Q.Что насчет нашей концепции обслуживания?
А:Мы поддерживаем телефонную связь весь день, выступаем на глазах клиентов, чтобы обеспечить рациональное решение и выбор робота.
*Вопрос:Какие продукты мы можем предложить?
А:робот, энергоснабжение для робота, линейный для робота, тренировка для робота, сцепление для обработки.
*Вопрос:Почему вы покупаете у нас?
А:Вы не беспокоитесь о послепродажной проблеме для сотрудничества с нами.
О нас
Компании в "клиент в первую очередь, качество в первую очередь, пользователь в первую очередь" цель, мы будем как всегда теплый и искренний сервис для всех пользователей, друзей и клиентов, создать блестящее завтра.Наши основные клиенты - Baosteel., INO, Volkswagen, Geely и так далее. Более пятнадцати лет опыта работы в индустрии роботов. Наши инженеры могут разработать решение, моделирование, программирование и устранение неполадок. Так что если у вас есть какие-либо проблемы с роботом.Позвони нам в любое время. Мы постараемся изо всех сил решить проблему. Другое преимущество - послепродажное обслуживание, у нас есть запасные части роботов на складе. Мы можем быстро ответить, чтобы помочь вам решить ошибку робота.У нас также есть обучение роботовКурсы включают программирование, электрическое, механическое и экспертное программирование.



