Трансформатор на открытом воздухе изолированная Бросани-смола 50Хз или 60Хз ДЖЛДЗСВ1-17.5Ф напряжения тока МВ
1. Введение:
Трансформатор кастед совместно 1 КТ и 1 ПТ с небольшим размером, он сохраняет комнату. Он может быть
используемое на открытом воздухе, свое самое высокое напряжение тока для оборудования может быть 17.5кВ.
2. Спецификация:
| Расклассифицированное основное напряжение тока (кВ) |
Расклассифицированное вторичное Напряжение тока (кВ) |
Классы точности | Требуемая производительность (ВА) | Расклассифицированный коэффициент наличности (а) |
Класс точности |
Требуемая производительность |
Расклассифицированный уровень изоляции (кВ) |
|
10/√3 11/√3 12.47/√3 13.8/√3 15/√3
|
100/√3 110/√3 120/√3 100 110 120 |
0,2 0,5 1 |
10 30 50 |
5-10/5 |
0.2С 0,2 0.5С 0,5 1 |
10 12,5 15 |
12/28/75 12/42/75 17.5/38/95 17.5/38/110 15/34/110 |
| 10-20/5 | |||||||
| 15-30/5 | |||||||
| …. | |||||||
| 200-400 | |||||||
| 300-600 | |||||||
| 400-800 | |||||||
| 500-1000 | |||||||
| 600-1200 |
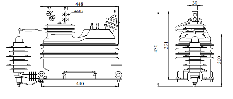
Чертеж плана:

