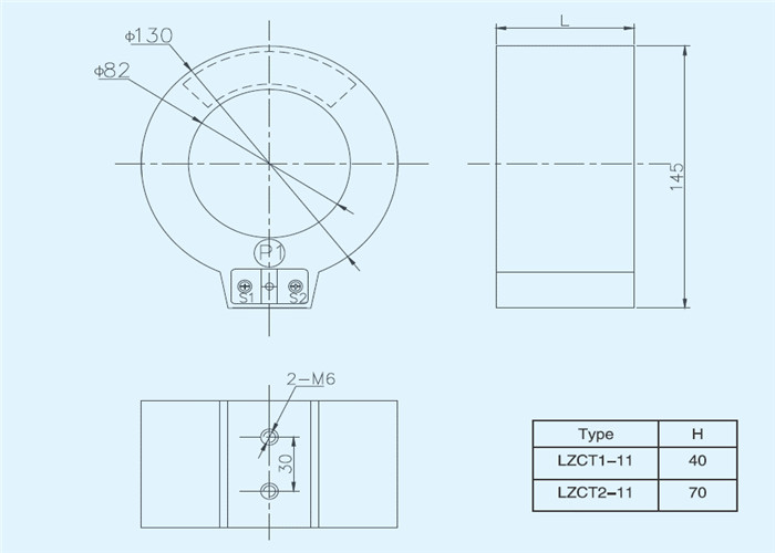
Трансформатор аппаратуры ЛЗКТ настоящий, вторичные замотки Полно-закрытые
Вторичные замотки полно-закрыты в пламени - раковины ретардант пластиковые, основная втулка или кабель могут пройти через внутреннее отверстие, дно имеют вставки установки для фиксирования. Оно прост и сокращение, соответствующее для измеряя течения, собрания сигнала и защитного передавать в среднюю электрическую систему напряжения тока втулки или кабеля етк.
| Модель | ЛЗКТ1-11К | ЛЗКТ1-11П | ЛЗКТ1-11КП | ||||||
| Цель | Измеряя настоящий трансформатор | Защитный настоящий трансформатор | Трансформатор бифилярной намотки настоящий | ||||||
| Расклассифицированное основное течение | Класс точности и расклассифицированная тягота (ВА) | Класс точности и расклассифицированная тягота (ВА) | Класс точности бифилярной намотки и расклассифицированная тягота (ВА) | ||||||
| 0,2 | 0,5 | 1 | 10П10 | 10П5 | 0,2 | 0,5 | 10П10 | 10П5 | |
| 50 | 1 | ||||||||
| 75 | 1 | 1,5 | |||||||
| 100 | 2,5 | 5 | 2 | 1 | |||||
| 200 | 5 | 5 | 1,5 | 2,5 | 2,5 | ||||
| 300 | 2,5 | 5 | 2,5 | 1,5 | 2,5 | 2,5 | |||
| 400 | 5 | 7,5 | 3,75 | 2,5 | 5 | 2,5 | |||
| 500 | 5 | 10 | 5 | 2,5 | 5 | 2 | 3,75 | ||
| 600 | 5 | 10 | 5 | 3,75 | 7,5 | 2,5 | 5 | ||
| Модель | ЛЗКТ2-11К | ЛЗКТ2-11П | ЛЗКТ2-11КП | ||||||
| Цель | Измеряя настоящий трансформатор | Защитный настоящий трансформатор | Трансформатор бифилярной намотки настоящий | ||||||
| Расклассифицированное основное течение | Класс точности и расклассифицированная тягота (ВА) | Класс точности и расклассифицированная тягота (ВА) | Класс точности бифилярной намотки и расклассифицированная тягота (ВА) | ||||||
| 0,2 | 0,5 | 1 | 10П10 | 10П5 | 0,2 | 0,5 | 10П10 | 10П5 | |
| 30 | 1,5 | ||||||||
| 50 | 1,5 | 2,5 | 1,5 | ||||||
| 75 | 2,5 | 5 | 2,5 | 1,5 | |||||
| 100 | 2,5 | 5 | 3,75 | 2,5 | 2 | ||||
| 200 | 2,5 | 5 | 7,5 | 3,75 | 5 | 3,75 | 1,5 | 2,5 | |
| 300 | 5 | 7,5 | 5 | 2,5 | 5 | 2,5 | |||
| 400 | 7,5 | 10 | 7,5 | 5 | 7,5 | 3,75 | |||
| 500 | 10 | 15 | 10 | 5 | 10 | 5 | |||
| 600 | 10 | 15 | 10 | 5 | 10 | 5 | |||
