Тип эпоксидной смолы настоящего трансформатора ДЖДЗСВ5-17.5 17.5кВ средний на открытом воздухе однофазный
Отливка эпоксидной смолы и полно-закрытая конструкция, широко использованы для измерять напряжение тока, электрическую энергию и защитный передавать в однофазной или трехфазной электрической системе с частотой 50Хз или 60Хз и самом высоком напряжении тока для оборудования 17.5кВ.
Технические данные
1. Место установки на открытом воздухе
2. расклассифицированная частота 50/60Хз
3. фактор силы косΦ=0.8 тяготы (отстающий)
4. согласия технического стандарта с ИЭК 60044-2, ИЭК 61869-1 & 3
Спецификация:
| Тип |
Расклассифицированный основной Напряжение тока (кВ) |
Расклассифицированный вторичное напряжение тока (кВ) |
Точность классы комбинация |
Расклассифицированный выход (ВА) |
Термальный ограничивающ выход (ВА) |
Расклассифицированный Изоляция уровень (кВ) |
| ДЖДЗСВ18-12 |
10/√3 11/√3 |
0.1/ √3 0.11/√3 |
0,2 | 25 | 400 | 17/38/95 |
| 0,5 | 50 | |||||
| 1 | 80 | |||||
| 0.1/√3/0.1/3 0.11/В3/0.11/3 | 0.5/3П | 50/100 | 400 |
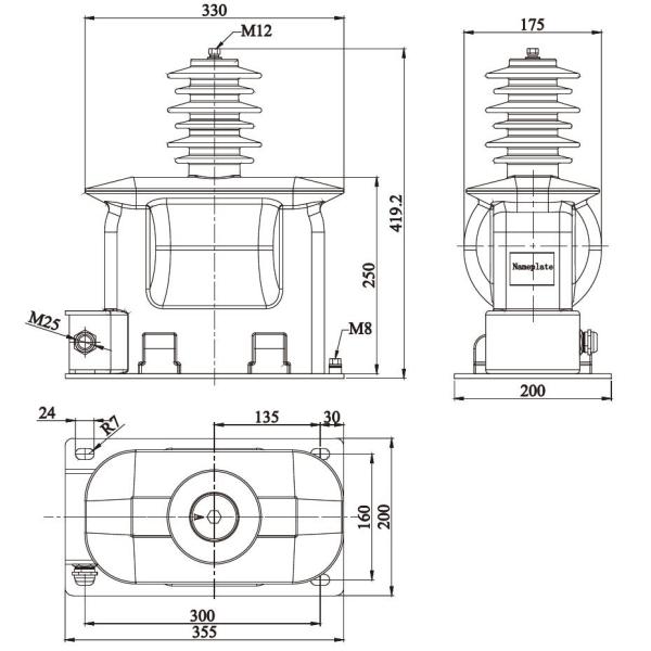
Чертеж плана:
