Эпоксидная смола ЛРЗ3-36Г 36кв крытая бросая трансформатор МВ настоящий
Эта серия настоящей структуры изоляции бросания пользы трансформатора полностью заключенной, первичной замотки, вторичной замотки и кольцевого ядра помещена в тело отливки эпоксидной смолы, продукт структура штендера; они могут быть установленные во всех направлениях должными к легковесу; продукт установлен в ГИС, свой второй терминал принимает дизайн газового уплотнения который легок для вторичных проводки и теста. Соответствующее для измерения куррен и энергия и использованный как предохранение от реле крытое для электричества с расклассифицированной частотой 50/60Хз и под АК 36Кв.
Технические данные:
1, место установки: Крытый
2, расклассифицированная частота: 50/60Хз
3, фактор силы нагрузки: косΦ=0.8 (отстающий)
4, технический стандарт согласовывают с: ИЭК 60044-1 (ИЭК 61869-1&2)
Спецификация:
| Деталь | Спецификация | Блок | Данные | Примечания |
| 1 | Ум | кВ | 36 | |
| 2 | Расклассифицированный уровень изоляции | кВ | 36/70/170 | |
| 3 | Расклассифицированное основное течение | А | 10 - 2000 | |
| 4 | Расклассифицированное во-вторых настоящее | А | 1 или 5 |
|
Расклассифицированный коэффициент наличности (А) |
Комбинация класса | Требуемая производительность (ВА) | |||
| Измерение | Защита | Защита | |||
| 0,2 | 0,5 | 5П10 | 5П20 | ||
| 10~100/5 |
0,2 0,5 0.2/0.5 0.5/5П10 0.5/5П20 |
10 15 |
10 15 |
15 20 |
10 15 |
| 150/5 | |||||
| 200/5 | |||||
| 400/5 | |||||
| 500/5 | |||||
| 600/5 | |||||
| 800/5 | |||||
| 1000/5 | |||||
| 1200~2000/5 | |||||
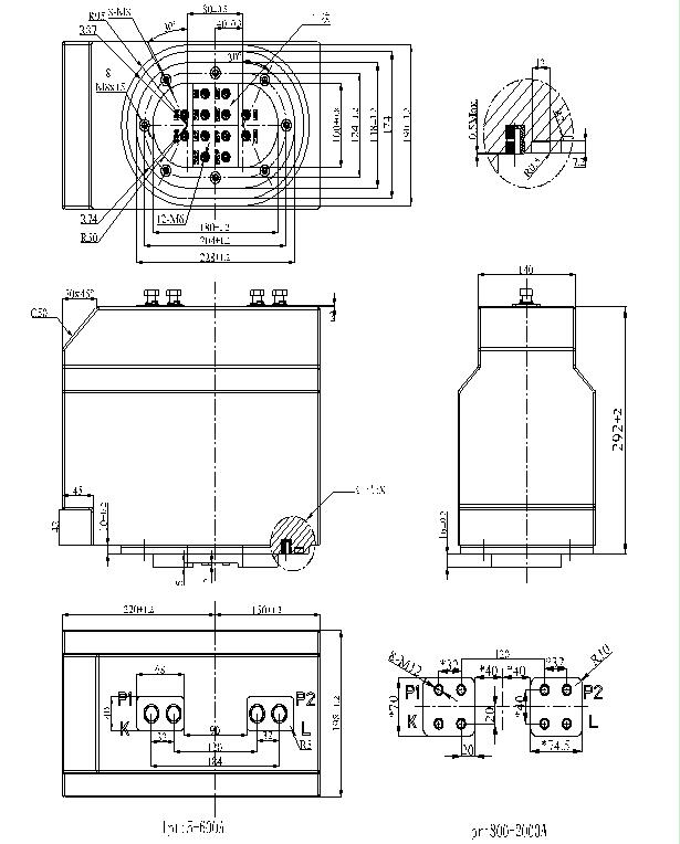
Чертеж плана:

Чертеж плана Фиг.1

Проводка Фиг.2