17.5(24) кВ типа высокой электрической эффективности точности средней эпоксидной смолы настоящего трансформатора на открытом воздухе однофазной мини
введение 1.Продукт:
Изоляция эпоксидной смолы ресинкастинг и полностью заключенная конструкция поддержки, заключают первичные & вторичные замотки и кольцевое ядр в тело отливки эпоксидной смолы. Продукт имеет большое расстояние ползучести изоляции периферии, выдерживающ нечистоту и сыроватость.
Соответствующий для измерять электрический передавать емкости, настоящих и защитных в электрическую систему 17.5кВ (до 24кВ).
1. Расклассифицированный уровень изоляции: 17.5/38/95 кВ
24/50/125 кВ
2, расклассифицированная частота: 50/60Хз
3, место установки: На открытом воздухе
4, технический стандарт: ИЭК 60044-1
(ИЭК 61869-1&2)
Спецификация:
|
Расклассифицированное преобразование коэффициент (а) |
Точность классифицирует комбинацию |
Требуемая производительность (ВА) |
||
| Измерять | Защитный | |||
| 0,2 (с) | 0,5 | 10П | ||
| 400/5 |
0,2) (С/0,2 (С) 0,2) (с/0,5 0.5/0.5 0,2) (с/10П10 0.5/10П10 |
15 |
15 |
15 |
| 500/5 | 15 | 15 | 15 | |
| 15 | 15 | 15 | ||
| 600/5 | 20 | 20 | 20 | |
| 800/5 | 20 | 20 | 20 | |
| 1000/5 | 20 | 20 | 20 | |
| 2000/5 | 30 | 30 | 30 | |
| 3000/5 | 30 | 30 | 30 | |
| 40 | 40 | 40 | ||
| 4000/5 | ||||
| 5000/5 | 40 | 40 | 40 | |
Замечает: По требованию мы радостны предложить трансформаторы согласно другим стандартам или с нештатными техническими спецификациями.
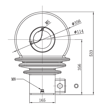
Чертеж плана


