Трансформатор серии впрыски прессформы настоящий --Тип о
1. Принятое высокое ядр проницаемости, представление линеарностей высокой точности превосходное.
2. Полно закрытый, с высокой функцией настоящей изоляции и славного плана.
3. Гибкие провода как основной. Смогите подключить типы терминалов.
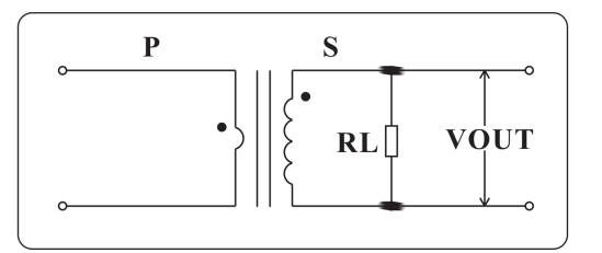
4. Линейный выход с точным течением. Смогите осуществить для мулти выхода коэффициента.
5. Невосприимчивость ДК.
6. Помещенный впрыской прессформы экологической пластмассы. Анти--размывание и превосходное уплотнение
Одиночная фаза и многофазовый метр электричества.
ОПИСАНИЕ:
1. Температура окружающей среды: -40℃ | +75℃.
2. Сопротивление изоляции: ≥1000МΩ (ДК500В).
3. Диэлектрическая прочность: 4000ВАК 1мА 60С.
Спецификация:
| Нет. | Расклассифицированный При. Течение (а) |
Макс. Течение (а) |
Расклассифицированный Сек. Течение (мамы) | Сопротивление нагрузки (Ω) | Точность АК | Точность ДК |
| 1 | 1,5 | 6/9 | 1/5.0/7.5 | 5/10/20/40 | 0.1/0.2/0.5 | 1.0/2.0 |
| 2 | 2,5 | 10/15 | 2,5 | 5/10/20 | 0.1/0.2/0.5 | 1.0/2.0 |
| 3 | 5 | 20/30/40/60 | 2.0/2.5/5.0 | 5/10/20 | 0.1/0.2/0.5 | 1.0/2.0 |
| 4 | 10 | 40/60/100 | 4.0/5.0/10 | 10/20 | 0.1/0.2/0.5 | 1.0/2.0 |
| 5 | 15 | 60/100 | 10/15 | 10 | 0.1/0.2/0.5 | 1.0/2.0 |
| 6 | 20 | 80/100/120 | 8.0/10/20 | 10 | 0.1/0.2/0.5 | 1.0/2.0 |
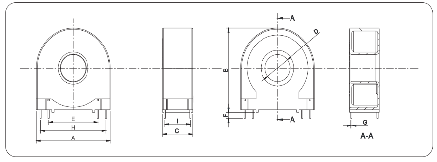
| Продукт нет. | Размер (мм) | ||||||||
| А | Б | К | Д | Э | Ф | Г | Х | И | |
| Д-01 | 37,6 | 39,0 | 39,0 | 12,6 | 25,2 | 4,0 | 1,0 | 23,0 | 13,0 |
| 33,2 | 34,2 | 34,2 | 10,6 | 19,0 | 5,0 | 1,0 | 25,5 | 14,0 | |
| 34,0 | 35,0 | 35,0 | 9,6 | 28,0 | 5,0 | 1,0 | |||
| 26,2 | 27,0 | 27,0 | 8,8 | 15,0 | 5,0 | 1,0 | 19,3 | 15,0 | |
| 23,5 | 25,0 | 25,0 | 6,6 | 15,0 | 4,0 | 1,0 | 19,0 | 9,0 | |

Чертеж плана:
