Свитчгеар напряжения тока крытой втулки бросания эпоксидной смолы 200А средний Бушинг хорошо изолированная крышка
1. Введение:
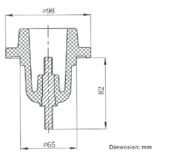
Чуангин® Бушинг хорошо широко применимо для прекращать и изолировать основных руководств на лицевой плите маслонаполненного оборудования, одиночной фазы и трехфазных трансформаторов и оценки напряжения тока свитчгеар на 8.3/14.4 кВ.
Интерфейс конструировал исполнить с интерфейсом стандарта 386 200 а ИЭЭЭ.
2. Особенности:
Прекращать компонента соединителя, как вставка втулки
Установленный с струбциной
испытанная фабрика 100%
В согласии с стандартом 386 ИЭЭЭ
3. технические данные:
| Деталь | Параметры |
| Класс напряжения тока | 15 кВ |
| Оценка напряжения тока | 8.3/14.4 кВ |
| Расклассифицированное течение | 200 а |
| Напряжение тока Витхстанд АК 1 минута | 42 кВ |
| Частично разрядка | 15 кВ, ПК ≤10 |
| БИЛ | 95 кВ |
| Тариф утечки | ПА-10 <1× 10•м3/с |
