Сетноое-аналогов начало AFE4900YZR 30-XFBGA интегрировало обломок интегральной схемаы AFE 1kHz
Характер продукции AFE4900YZR
AFE4900YZR сетноое-аналогов первоначальное (AFE) для синхронизированной электрокардиограммы (ECG), приема сигнала photoplethysmogram (PPG). Прибор можно также использовать для оптически био-воспринимая применений, как контролировать частоты сердечных сокращений (HRM) и сатурация периферийного кислорода капилляра (SpO2).
Спецификация AFE4900YZR
| Номер детали: | AFE4900YZR |
| Ультра низкая мощность | |
| 24 бита | |
| 1 kS/s | |
| Канал 3 | |
| I2C, SPI | |
| 5,25 v | |
| 1,7 v | |
| - 20 c | |
| + 70 c | |
| SMD/SMT | |
| DSBGA-30 |
Особенности AFE4900YZR
Применения AFE4900YZR
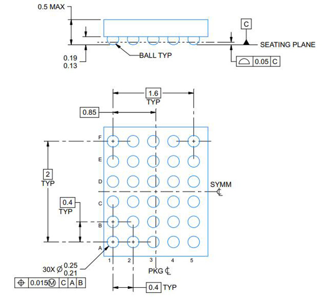
План пакета AFE4900YZR

Другие электронные блоки в запасе
| Номер детали | Пакет |
| TMP19A44FEXBG | TFBGA241 |
| 10116602-101IF | SMD |
| AMC1301QDWVRQ1 | SOP8 |
| BU52011HFV | HVSOF-5 |
| CC2560ARVMR | 76VQFN |
| BCM56963B1KFSBG | BGA |
вопросы и ответы
Q: Ваши продукты первоначальны?
: Да, все продукты первоначальный, новый первоначальный импорт наша цель.
Q: Которые сертификаты вы имеете?
: Мы компания ISO и член аттестованные 9001:2015 ERAI.
Q: Можете вы поддержать заказ или образец небольшого количества? Образец свободен?
: Да, мы поддерживаем заказ образца и небольшой заказ. Цена образца различна согласно вашим заказу или проекту.
Q: Как грузить мой заказ? Безопасно?
: Мы используем срочный для того чтобы грузить, как DHL, Federal Express, UPS, TNT, EMS.We можем также использовать вашего предложенного товароотправителя. Продукты находятся в хорош пакуя и обеспечить безопасность и нас ответственен к повреждению продукта к вашему заказу.
Q: Как насчет времени выполнения?
: Мы можем грузить части запаса не позднее 5 рабочих дней. Если без запаса, мы подтвердим время выполнения для вас основали на вашем количестве заказа.