Пакет канала 6-SOIC конденсаторной связи 3750Vrms 1 водителя ворот UCC23313BQDWYRQ1
Характер продукции UCC23313BQDWYRQ1
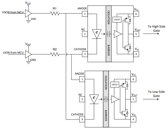
UCC23313BQDWYRQ1 Opto-совместимое, одноканальный, изолированный водитель ворот для IGBTs, MOSFETs и MOSFETs SiC, с течением источника 4.5-A и пиковой мощности раковины 5.3-A и основной оценкой изоляции 3.75-kVRMS. Высокий ряд подачи напряжения 33V позволяет пользе двухполярных поставок эффектно управлять IGBTs и сила FETs.UCC23313BQDWYRQ1 SiC может управлять и низкой стороной и высокие бортовые особенности и характеристики силы FETs.Key приносят значительные подъемы представления и надежности над стандартной основанными opto-муфтой водителями ворот пока поддерживающ совместимость штыр-к-штыря как в схеме, так и в дизайне плана. Самые интересные представления включают невосприимчивость высокого единого режима переходную (CMTI), низкую задержку распространения, и небольшое искажение ширины ИМПа ульс. Плотные результаты управления производственным процессом в небольшой част-к-части уклоняют. Этап входного сигнала подражанный диод (e-диод) который значит долгосрочную надежность и превосходные старея характеристики сравненные к традиционному СИД найденному в водителях ворот optocoupler.
Спецификация UCC23313BQDWYRQ1
| Напряжение тока - изоляция | 3750Vrms |
| Невосприимчивость единого режима переходная (минута) | 150kV/µs |
| TpLH задержки распространения/tpHL (Макс) | 105ns, 105ns |
| Искажение ширины ИМПа ульс (Макс) | 35ns |
| Время подъема/падения (тип) | 28ns, 25ns (Макс) |
| Текущий объем производства высокий, низкий | 3A, 3.5A |
| Настоящий - пиковая мощность | 4.5A, 5.3A |
| Напряжение тока - переднее (Vf) (тип) | 2.1V |
| Настоящий - DC передний (если), то (Макс) | 25 мам |
| Напряжение тока - поставка выхода | 10V | 33V |
| Рабочая температура | -40°C | 125°C |
Применения UCC23313BQDWYRQ1
Блокировка UCC23313BQDWYRQ1

вопросы и ответы
Q. Ваши продукты первоначальны?
: Да, все продукты первоначальный, новый первоначальный импорт наша цель.
Q: Которые сертификаты вы имеете?
: Мы компания ISO и член аттестованные 9001:2015 ERAI.
Q: Можете вы поддержать заказ или образец небольшого количества? Образец свободен?
: Да, мы поддерживаем заказ образца и небольшой заказ. Цена образца различна согласно вашим заказу или проекту.
Q: Как грузить мой заказ? Безопасно?
: Мы используем срочный для того чтобы грузить, как DHL, Federal Express, UPS, TNT, EMS.We можем также использовать вашего предложенного товароотправителя. Продукты находятся в хорош пакуя и обеспечить безопасность и нас ответственен к повреждению продукта к вашему заказу.
Q: Как насчет времени выполнения?
: Мы можем грузить части запаса не позднее 5 рабочих дней. Если без запаса, мы подтвердим время выполнения для вас основали на вашем количестве заказа.