MPX5700ASX сенсор IC датчик давления от 15 кПа до 700 кПа пиезорезистивный преобразователь
Описание продуктаMPX5700ASX
MPX5700ASX характеристики работы датчика давления, а также внутренние испытания надежности и квалификации основаны на использовании сухого воздуха в качестве носителя давления.может иметь негативное влияние на производительность датчиков и долгосрочную надежностьОбратитесь в завод для получения информации о совместимости носителей в вашем приложении.
СпецификацияMPX5700ASX
|
Номер части |
MPX5700ASX |
|
Рабочее давление |
2.18PSI ~ 101.53PSI (15kPa ~ 700kPa) |
|
Выпуск |
0.2 V ~ 4.7 V |
|
Точность |
± 2,5% |
|
Напряжение - питание |
4.75V ~ 5.25V |
|
Максимальное давление |
406.11 PSI (2800 кПа) |
|
Операционная температура |
-40°C ~ 125°C |
ОсобенностиMPX5700ASX
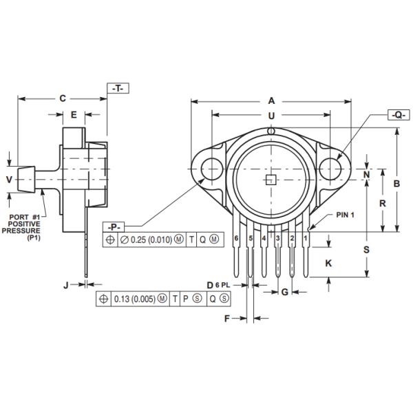
Размеры упаковкиИзMPX5700ASX

Другие электронные компоненты на складе
| Номер части | Пакет |
| BMD-350-A-R | Модуль |
| NINA-B411-01B | 55-SMD |
| NINA-B416-00B | 55-SMD |
| BMD-300-A-R | Модуль |
| NINA-B112-04B | 30-SMD |
| NINA-B410-00B | 55-SMD |
| NINA-W156-03B | 36-SMD |
| NINA-B221-03B | 36-SMD |
| NINA-W152-03B | 36-SMD |
| NINA-B301-00B | 55-SMD |
| NINA-B222-03B | 36-SMD |
| NINA-B306-00B | 55-SMD |
| BMD-340-A-R | Модуль |
| NINA-B302-00B | 55-SMD |
| BMD-380-A-R | 63-SMD |
| NORA-B106-00B | Модуль |
| BMD-341-A-R | Модуль |
| BMD-345-A-R | Модуль |
| SARA-R500S-01B | LGA-96 |
| SARA-R422S-01B | LGA-96 |
| SARA-R510S-01B | LGA-96 |
| SARA-R510M8S-01B | LGA-96 |
| SARA-R422M8S-00B | LGA-96 |
| LARA-R6001-00B | Модуль 100-SMD |
| LARA-R6001D-00B | Модуль 100-SMD |
| NINA-B306-01B | 55-SMD |
| Мая-W166-00B | 76-LGA |
| NINA-B311-02B | 55-SMD |
| MIA-M10Q-00B | 53-SMD |
| SARA-R510M8S-00B | LGA-96 |
Частые вопросы
Вопрос: Ваши изделия оригинальные?
О: Да, все продукты оригинальные, новый оригинальный импорт - наша цель.
Вопрос: Какие у вас сертификаты?
О: Мы сертифицированная компания по стандарту ISO 9001:2015 и являемся членом ERAI.
Q:Вы можете поддерживать небольшое количество заказа или образцы?
A: Да, мы поддерживаем заказ образца и небольшой заказ. Стоимость образца отличается в зависимости от вашего заказа или проекта.
Вопрос: Как отправить мой заказ?
A: Мы используем экспресс для отправки, например, DHL, FedEx, UPS, TNT, EMS. Мы также можем использовать ваш предложенный экспедитор.Продукты будут в хорошей упаковке и обеспечить безопасность и мы несем ответственность за повреждение продукта на ваш заказ.
Вопрос: Как насчет сроков?
A: Мы можем отправить запасные части в течение 5 рабочих дней. Если нет запаса, мы подтвердим время доставки для вас на основе количества вашего заказа.