Корка A7 РУКИ IC 448LFBGA микропроцессора ядра микроконтроллера MCU STM32MP157FAA1 2
Характер продукции STM32MP157FAA1
STM32MP157FAA1 подготовляют двойное Cortex-A7 800 сопроцессор в реальном времени MHz, руки Cortex-M4, 3D GPU, дисплеи TFT/MIPI DSI, FD-CAN, безопасный ботинок и тайнопись.
Спецификация STM32MP157FAA1
| Номер детали: | STM32MP157FAA1 | Процессор ядра: | ARM® Cortex®-A7 |
|---|---|---|---|
| Скорость: | 209MHz, 800MHz | Дополнительные интерфейсы: | КОНСЕРВНАЯ БАНКА, локальная сеть, я ² c, MMC/SD/SDIO, SPDIF, SPI, UART, USB |
| I2C (с поддержкой SMB/PMB): | 6 (2 Securable) | Врезанное PHYs: | 3 (высшая скорость × 2 × высокоскоростная + 1) |
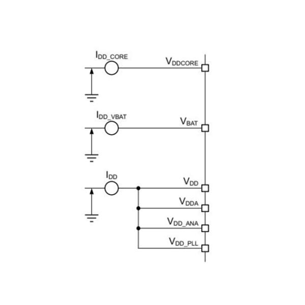
Схема измерения текущего потребления STM32MP157FAA1

Другие электронные блоки в запасе
| Номер детали | Пакет |
| PMB7850EV | BGA208 |
| LT6105HMS8 | MSOP8 |
| GV8502ACNTE3 | QFN16 |
| EPM1270GT144C4N | QFP144 |
| EP3C55F484C8N | BGA484 |
| MT5301VGMU | QFP |
вопросы и ответы
Q: Ваши продукты первоначальны?
: Да, все продукты первоначальный, новый первоначальный импорт наша цель.
Q: Которые сертификаты вы имеете?
: Мы компания ISO и член аттестованные 9001:2015 ERAI.
Q: Можете вы поддержать заказ или образец небольшого количества? Образец свободен?
: Да, мы поддерживаем заказ образца и небольшой заказ. Цена образца различна согласно вашим заказу или проекту.
Q: Как грузить мой заказ? Безопасно?
: Мы используем срочный для того чтобы грузить, как DHL, Federal Express, UPS, TNT, EMS.We можем также использовать вашего предложенного товароотправителя. Продукты находятся в хорош пакуя и обеспечить безопасность и нас ответственен к повреждению продукта к вашему заказу.
Q: Как насчет времени выполнения?
: Мы можем грузить части запаса не позднее 5 рабочих дней. Если без запаса, мы подтвердим время выполнения для вас основали на вашем количестве заказа.