Автомобильные модули IGBT FF450R08A03P2 Модуль драйвера питания Модуль IGBT Half Bridge 750V 450A
Описание FF450R08A03P2
FF450R08A03P2 — это очень компактный полумостовой модуль, предназначенный для применения в гибридных и электрических транспортных средствах.Модуль основан на многолетнем опыте Infineon в разработке силовых модулей IGBT и реализует поколение IGBT EDT2.Инновационный компактный корпус разработан для двухстороннего охлаждения (DSC) с превосходными тепловыми характеристиками и обеспечивает высочайшую удельную мощность.Он нацелен на главные инверторы мощностью до 75 кВт.
СпецификацияФФ450Р08А03П2
|
Статус продукта |
Активный |
|
Тип |
БТИЗ |
|
Конфигурация |
Полумост |
|
Текущий |
450 А |
|
Напряжение |
750 В |
|
Напряжение - Изоляция |
2500 В среднекв. |
|
Тип крепления |
Крепление шасси |
Типичные области применения FF450R08A03P2
Автомобильные приложения
Гибридные электромобили (H)EV
Оптимизирован для автомобильных приложений с напряжением звена постоянного тока до 450 В и уровнем напряжения драйвера затвора -8 В/+15 В.
Электрические характеристики FF450R08A03P2
Встроенный датчик тока
Встроенный датчик температуры
Низкоиндуктивный дизайн
Напряжение блокировки 750В
Низкие коммутационные потери
Кратковременно расширенная рабочая температура
Механические характеристики FF450R08A03P2
2,5 кВ переменного тока 1 мин Изоляция
Двустороннее охлаждение
Компактный дизайн
Соответствие RoHS
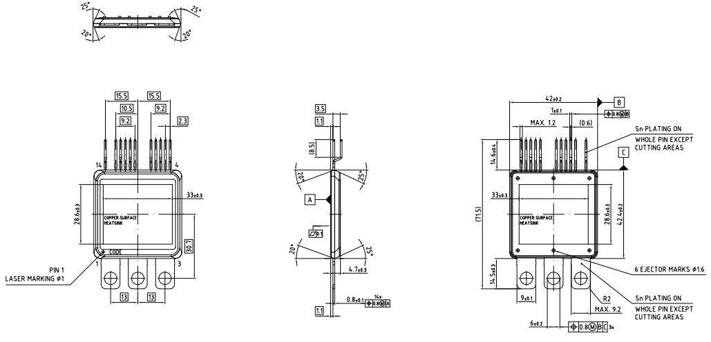
Контуры упаковки FF450R08A03P2

Часто задаваемые вопросы
В. Являются ли ваши продукты оригинальными?
О: Да, все продукты являются оригинальными, наша цель - новый оригинальный импорт.
Q: Какие сертификаты у вас есть?
О: Мы сертифицированная компания по стандарту ISO 9001:2015 и член ERAI.
В: Можете ли вы поддержать заказ небольшого количества или образец? Является ли образец бесплатным?
О: Да, мы поддерживаем заказ образца и небольшой заказ. Стоимость образца зависит от вашего заказа или проекта.
В: Как отправить мой заказ?Это безопасно?
О: мы используем экспресс-доставку, такую как DHL, FedEx, UPS, TNT, EMS. Мы также можем использовать предложенного вами экспедитора. Товары будут в хорошей упаковке и обеспечат безопасность, и мы несем ответственность за повреждение продукта вашего заказа.
В: Что насчет времени выполнения?
О: мы можем отправить запасные части в течение 5 рабочих дней. Если их нет на складе, мы подтвердим для вас время выполнения заказа в зависимости от количества вашего заказа.