Водители приведенные силой водителя A3941klptr-T Ic регуляторов автомобильное Tssop-28
Описание
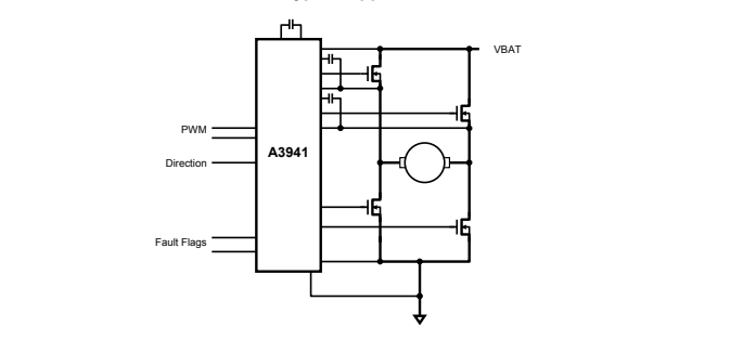
Аллегро микросистемы, A3941KLPTR-T, TSSOP-28, мотор/движение/регуляторы & водители зажигания
АВТОМОБИЛЬНЫЙ ПОЛНЫЙ MOSFET МОСТА
A3941 регулятор полно-моста для пользы с внешними MOSFETs силы N-канала и
специфически конструированный для автомобильных применений с высокомощными индуктивными нагрузками, как DC щетки
моторы.
Уникальный регулятор насоса обязанности снабжает вполне (>10 v) привод ворот для напряжений тока батареи вниз 7 v и
позволяет A3941 работать с уменьшенным приводом ворот, вниз до 5,5 V.
Конденсатор бутстрэпа использован для того чтобы обеспечить подачу напряжения над-батареи необходим для N-канала
MOSFETs. Насос внутренней обязанности для на стороне высокого давления привода позволяет деятельности DC (круга обязаностей 100%).
Полным мостом можно управлять в быстрых или медленных модах распада использующ диод или одновременное выпрямление.
В медленной моде распада, настоящая рециркуляция может быть через FETs на стороне высокого давления или lowside.
FETs силы защищены от всход-через к времени вхолостую резистора регулируемого.
Интегрированные диагностики указывают недонапряжения, overtemperature, и недостатков моста силы,
и смогите быть установлено защитить MOSFETs силы под большинств условиями короткого замыкания.
A3941 поставлено в 28 пакете силы штыря TSSOP с, который подвергли действию термальной пусковой площадкой (суффиксом LP).
Этот пакет руководство (Pb) свободно, с плакировкой 100% leadframe штейнов-олова.
Особенности
▪Сильнотоковый привод ворот для моста MOSFET N-канала полного
▪Переключение на стороне высокого давления или низко-стороны PWM
▪Насос обязанности для низкой деятельности подачи напряжения
▪Насос обязанности верхней части- для 100% PWM
▪предохранение от Взаимн кондукции с регулируемым временем вхолостую
▪5,5 до ряду подачи напряжения 50 v
▪Интегрированный регулятор 5 v
▪Выход диагностик
▪Низкоточный режим сна
Применения
Автомобильный полный водитель MOSFET моста

Лист даты
| атрибут roduct | Атрибут со значением |
|---|---|
| Аллегро микросистемы | |
| Категория продукта: | Мотор/движение/регуляторы & водители зажигания |
| Почищенные щеткой водители мотора DC | |
| Полный мост | |
| 5,5 v до 50 v | |
| 28 мам | |
| 10 мам | |
| - 40 c | |
| + 150 c | |
| SMD/SMT | |
| TSSOP-28 | |
| Вьюрок | |
| Раскроенная лента | |
| Оценка напряжения на зажимах: | 5,5 v до 50 v |
| Влага чувствительная: | Да |
| Напряжение тока выхода: | 5 v |
| Серия: | A3941 |
| Количество пакета фабрики: | 4000 |
| Subcategory: | PMIC - Управление ICs силы |
вопросы и ответы
Доставка:
1, мы можем доставка во всем мире DHL, UPS, Federal Express, TNT и упаковка EMS.The очень
безопасный и сильный. Пожалуйста nitfy я вы имеете все особенные потребности
2, оно примет около 3-5 дни для достижения ваших рук.
Тип & условие продукта:
Из-за fluctuant ситуации продаж. части запаса всегда изменяют и список запаса не может
, быстро уточненный. Пожалуйста советуйте с ситуацией запаса когда вы запрашиваете.
Чтение покупателя:
1. Пожалуйста подтвердите получение продуктов если детали, то вы получили, и если товары были повреждены пожалуйста
свяжитесь мы немедленно. отправьте фото в нас что мы можем проверить и дать вам самое лучшее решение
2. Мы только гарантируем доставку во времени но нас не смогли контролировать время срочной поставки. Наше родственное
человек продаж будет ответственен для отправки AWB для поставленных товаров в следующем трудодне.
вы можете проверить AWB в вебсайте который мы отправляем в вас. Для AWByou также смогите вызвать к
местная ветвь срочной компании в вашей компании.
обслуживание Пре-продаж:
1. Наша команда конструирует и делает решения основанные на различных требованиях от различных клиентов.
2. Мы обеспечиваем 24 часа обслуживания, и каждое сообщение вы закавычите дознание будет отвечено в течение 12 часов