380В 3-фазный фильтр ЭМИ фильтра ЭМК выхода МЭ960-150 для инвертора 75кв ВФД

►Введение продукта
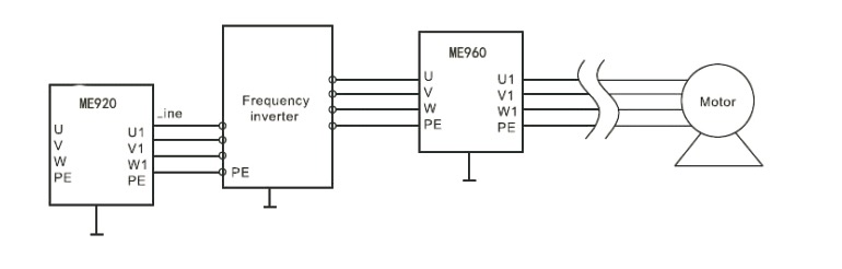
Выходной ЭМС-фильтр инвертора также называют выходным фильтром инвертора и выходным фильтром.Он устанавливается между выходной стороной инвертора и двигателем, чтобы уменьшить уровень высших гармоник в выходном токе инвертора и подавить выход инвертора.Импульсное напряжение на выходе решает проблему, связанную с тем, что волна ШИМ на выходе инвертора создает помехи окружающему чувствительному оборудованию через космическое излучение;он подавляет электромагнитные помехи, создаваемые инвертором, и уменьшает помехи связи инвертора с внешним миром.
►Каталог продукции
| Модель | Номинальный ток | Ток утечки | мощность частотно-регулируемого привода | Общий размер | Тип подключения терминала | Масса | |
| при 40°С | 250 В переменного тока/50 Гц | кВт | г | ||||
| МЭ960-5 | 5А | 0,75/1,5 | N2 | М4 | — | 1100 | |
| МЭ960-8 | 8А | 2,2/3,7 | N2 | М4 | --- | 1100 | |
| МЭ960-16 | 16А | 5,5/7,5 | N5 | М4 | --- | 1500 | |
| МЭ960-30 | 30А | 15/11 | N5 | М6 | --- | 1500 | |
| МЭ960-45 | 45А | 18,5/22 | N10 | М6 | --- | 2500 | |
| МЭ960-75 | 75А | 30/37 | N12 | М8 | --- | 7000 | |
| МЭ960-100 | 100А | 45 | N12 | М8 | --- | 7000 | |
| МЭ960-120 | 120А | 55 | N12 | М8 | --- | 7000 | |
| МЭ960-150 | 150А | 75 | N15 | М10 | --- | 10000 | |
| МЭ960-200 | 200А | 90 | N15 | М10 | --- | 10000 | |
| МЭ960-250 | 250А | 110 | N15 | М10 | --- | 10000 | |
| МЭ960-300 | 300А | 125/132/150 | N30 | --- | Бар | 14000 | |
| МЭ960-420 | 420А | 160/210/220 | N30 | --- | Бар | 14000 | |
| МЭ960-500 | 500А | 250/260 | N60 | --- | Бар | 16000 | |
| МЭ960-600 | 600А | 280/315 | N60 | --- | Бар | 16000 | |
| МЭ960-800 | 800А | 400 | N80 | --- | Бар | 20000 | |
| МЭ960-1000 | 1000А | 500 | N90 | --- | Бар | 22000 | |
| МЭ960-1100 | 1100А | 550 | N90 | --- | Бар | 22000 | |
| МЭ920-1200 | 1200А | 600 | N90 | --- | Бар | 23000 | |
| МЭ920-1600 | 1600А | 700 | N100 | — | Бар | 23000 | |
►Схема применения

►Применение продукта
1. Отличный эффект фильтрации проводимости
2. Он используется для подавления электромагнитных помех, создаваемых инвертором, и уменьшения помех от выхода инвертора во внешний мир.
3. Эффективно уменьшить высокочастотные гармоники на выходе IGBT, решить проблему преобразователя частоты, мешающего двигателю;продлить срок службы двигателя 4. Подавить dv/dt и уменьшить повреждение двигателя, вызванное пиковым выходным напряжением преобразователя частоты.
5. Он используется для уменьшения радиочастотных помех, вызванных длинным кабелем на выходе инвертора, а также для повышения надежности и защиты от помех оборудования.
►Свяжитесь с нами
