Трансформатор Lzx-20 плюща 100A/20Ma настоящий для медицинского оборудования
1.Main отличает:
●Невосприимчивость DC с лучшим фазовым рассогасованием
●Оборудованный кожух вместо традиционной ленты
●Незаконное центральное отверстие для легкого собрания
●Различная интеграция шинопровода для того чтобы приспособить применение
параметры 2.Technical:
| Основной параметр | |
| Коэффициент наличности |
10(100) A/4mA |
| Повороты катушки | 2500 |
| Тягота |
10Ω |
| Диэлектрическая прочность | Больше чем AC4000V |
| Точность | 0,1 класса |
| Расклассифицированная частота | 50~60Hz |
| Центральное отверстие | Diameter≤φ11mm |
| Коэффициент наличности ±% | 5%Ib 0.4/20%Ib 0.2/100%Ib 0.1/120%Ib 0,1 |
|
± фазового рассогасования („) |
5%Ib 15/20%Ib 8/100%Ib 5/120%Ib 5 |
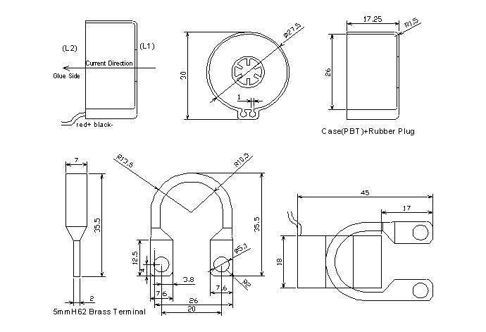
3.Dimension & пакет
Размер продукта:

Пакеты:
Образцы (небольшое количество): мы не выполняем обязательство для использования коробки ПЛЮЩА (размера Ref: 25*20*7cm)
Пересылки (большое количество): пакет можно само-определить основанный на нашем богатом опыте, коробк-коробк-паллете.
Мы также принимаем кожу пакуя для защиты штырей и государства реле.
Метки на коробке, или документы можно обсудить основанный на изготовленных на заказ требованиях.
Заполнители: Для заполнителя мы будем использовать пену, материал пузыря, форму PE верхнего сегмента.
Другие:
Мы имеем зип-код на продуктах если любые качественные аварии, мы вызовут назад и отслеживающ продукцию.
Добро пожаловать, который нужно связаться мы если вы имеете любую обратную связь на наших пакетах, то, как только мы приняли ваше предложение мы может предложить свободные образцы или скидку.
ИЗМЕРЯТЬ ПЛЮЩА 4.About
Наша история:
Наш фокус команды на измерять и переключать с 1994.
Установил ПЛЮЩ бренд был рожден в 2010, ПЛЮЩ HK, ПЛЮЩ Шанхая, Tongxiang в 2010, 2015 & 2016.
ПЛЮЩ ИЗМЕРЯЯ CO., Ltd. китайские ведущий дизайнер и изготовитель электрических деталей для управления энергией
и промышленное поле. С собственной фабрикой расположенной в Чжэцзяне и центре продаж в Шанхае для постного управления.
Наш продукт включает:
Переключая реле серий магнитное запирая на задвижку, магнитное иммунное запирая на задвижку реле, реле силы
Измеряя компонент-настоящий трансформатор, резистор шунта,
Измеряя собрани-умные измеряя модуль и датчик силы
модули Друг-связи/электропитания, ориентированное на заказчика интегрированное собрание etc.
Наша миссия:
Сделать управление энергией легкий и потеху.
Создайте максимальное значение для нашего клиента что мы преследование
5.Payment & пересылка
TT/LC/PayPal/оплата/AliPay WeChat
Больше условий оплаты пожалуйста советуют.
Пожалуйста отправьте нами памятку банка после оплат
В этом случае мы можем избежать ошибок на но. счета.
Если любые изменения на данных по банка мы вызовут вас даже видео-
Пожалуйста не верьте никаким изменениям электронными почтами

Пересылка образцов:
Срочный: DHL/UPS/TNT/Federal Express/EMS/Aramex/ABX etc…
AirPost: Столб Пост-NL/Сингапура/ePacket/CDEK/
ECommerce столба/DHL Гонконга/PTT etc…
Оптовая пересылка: Столб etc Китая…
Агент или товароотправитель приемлемы для нас