100A Ac 220V подгонял модуль командного реле 2 путей для контроля энергии
Примечания:
Жизнь электромагнитного реле высчитана основанный на числе времен раскрыты и закрыты контакты. Каждый раз будут раскрыты и будут закрыты контакты, их жизнь уменьшает. Их срок службы главным образом включает механическую жизнь и электрическую жизнь. Механическая жизнь: число циклов деятельности нулевой нагрузки что механическая часть реле может выдержать прежде чем механическим частям нужно быть отремонтированным или замененным. Электрическая жизнь: Число циклов деятельности нагрузки для механической части реле без ремонта или замены частей под определенными нормальными условиями труда.
1.Main отличает:
●Максимальное переключение настоящее 80A
●Расход энергии: 3W (25ms)
●Диэлектрическая прочность 4kV
●Эффективность затрат & защита от перенапряжения
●Компактный размер: 26.5*23.5*15mm
●Внешняя постоянная невосприимчивость к 500mT
●Материалы и процесс RoHS уступчивые
●Короткое замыкание согласно с сертификат UC2/UC3 IEC 62055-31
●Изготовленные на заказ собрания с интегрированными шунтами, расширениями Гибк-провода и меди и латунными терминалами
●Широкое применение для счетчика энергии, RCCB, заряжателя EV, прибора IOT
параметры 2.Technical:
|
Первичные данные |
|
| Размер (mm) | 26.5*23.5*15 |
| Вес | ≈40g |
| Форма контакта | 1A/1B |
| Материал контакта | AgSnO2 |
| Температура окружающей среды | -20~+55℃ |
| Вибрация | 1.5mm (DA), 10 к 55Hz |
| Удар | ² 1000m/s, (100G) |
|
Данные по спецификации |
||
| Расклассифицированное напряжение тока | 9V | |
| Расход энергии | <3W | |
| Максимальн Мотор Напряжение тока | 18V | |
| Максимальн Переключение Настоящ | 80A | |
| Невосприимчивость пульсации | 6000A/10ms | |
| Сопротивление мотора | 14±2Ω | |
| Напряжение прикосновения | <60mV | |
| Контактное сопротивление | <1.0mΩ | |
| Диэлектрическая прочность | Микро-мотор, который нужно контактировать | 4000VAC, 50/60Hz, 1 минута |
| Через открытые контакты | 2000VAC, 50/60Hz, 1 минута | |
| Электрическая выносливость (120 cycles/H) | 5 000 циклов | |
| Механическая выносливость (3600 cycles/H) | 100 000 циклов | |
| Время ИМПа ульс | ≧30ms (посоветуйте 30ms~40ms) | |
| Время приемистости (@9V) | ≦25ms | |
| Время отпуска (@9V) | ≦25ms | |
| Сопротивление изоляции | ≧1000MΩ (500VDC) | |
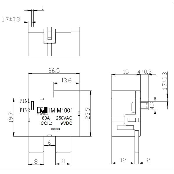
3.Dimension & пакет
Размер продукта:
Примечание: Должный к разнице дизайна реле, мы теперь показываем нагое тело (реле ядра)

Пакеты:
Образцы (небольшое количество): мы не выполняем обязательство для использования коробки ПЛЮЩА (размера Ref: 25*20*7cm)
Пересылки (большое количество): пакет можно само-определить основанный на нашем богатом опыте, коробк-коробк-паллете.
Мы также принимаем кожу пакуя для защиты штырей и государства реле.
Метки на коробке, или документы можно обсудить основанный на изготовленных на заказ требованиях.
Заполнители: Для заполнителя мы будем использовать пену, материал пузыря, форму PE верхнего сегмента.
Другие:
Мы имеем зип-код на продуктах если любые качественные аварии, мы вызовут назад и отслеживающ продукцию.
Добро пожаловать, который нужно связаться мы если вы имеете любую обратную связь на наших пакетах, то, как только мы приняли ваше предложение мы может предложить свободные образцы или скидку.
ИЗМЕРЯТЬ ПЛЮЩА 4.About
Наша история:
Наш фокус команды на измерять и переключать с 1994.
Установил ПЛЮЩ бренд был рожден в 2010, ПЛЮЩ HK, ПЛЮЩ Шанхая, Tongxiang в 2010, 2015 & 2016.
ПЛЮЩ ИЗМЕРЯЯ CO., Ltd. китайские ведущий дизайнер и изготовитель электрических деталей для управления энергией
и промышленное поле. С собственной фабрикой расположенной в Чжэцзяне и центре продаж в Шанхае для постного управления.
Наш продукт включает:
Переключая реле серий магнитное запирая на задвижку, магнитное иммунное запирая на задвижку реле, реле силы
Измеряя компонент-настоящий трансформатор, резистор шунта,
Измеряя собрани-умные измеряя модуль и датчик силы
модули Друг-связи/электропитания, ориентированное на заказчика интегрированное собрание etc.
Наша миссия:
Фокус на управлении энергией,
Осветите вверх лучшую жизнь
5.Payment & пересылка
TT/LC/PayPal/оплата/AliPay WeChat
Больше условий оплаты пожалуйста советуют.
Пожалуйста отправьте нами памятку банка после оплат
В этом случае мы можем избежать ошибок на но. счета.
Если любые изменения на данных по банка мы вызовут вас даже видео-
Пожалуйста не верьте никаким изменениям электронными почтами

Пересылка образцов:
Срочный: DHL/UPS/TNT/Federal Express/EMS/Aramex/ABX etc…
AirPost: Столб Пост-NL/Сингапура/ePacket/CDEK/
ECommerce столба/DHL Гонконга/PTT etc…
Оптовая пересылка: Столб etc Китая…
Агент или товароотправитель приемлемы для нас