1. Равнина назад
2. Стандартные аксессуары: 1set вне твердых челюстей и 1 набора внутри челюстей soild
3. Высокая точность на зажимать повторимость

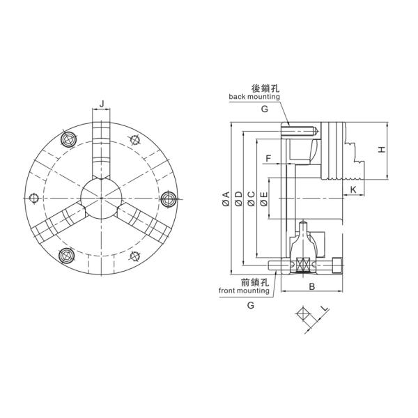
БЛОК спецификации: mm
| Модельный/спецификации | Максимальн Позволяем Вращающий момент N*m |
Максимальн Сжимать Сила KN |
Вес Kg |
RPM | O.D зажимая ряд mm |
I.D. Зажимать ряд mm |
| SC-03 | 29 | 9 | 1,5 | 2500 | 2-70 | 24-64 |
| SC-04 | 44 | 12 | 3,1 | 2500 | 3-90 | 32-84 |
| SC-05 | 63 | 15 | 4,4 | 2500 | 3-110 | 35-100 |
| SC-06 | 88 | 31 | 11,4 | 2000 | 3-160 | 48-150 |
| SC-07 | 107 | 31 | 12,2 | 2000 | 4-180 | 56-170 |
| SC-08 | 128 | 33 | 16,2 | 2000 | 4-180 | 56-170 |
| SC-09 | 147 | 37 | 21,2 | 2000 | 5-220 | 62-210 |
| SC-10 | 176 | 46 | 28 | 1800 | 6-260 | 70-250 |
| SC-12 | 206 | 55 | 41 | 1800 | 10-300 | 86-290 |
| SC-14 | 225 | 55 | 54 | 1500 | 12-350 | 94-330 |
| SC-16 | 245 | 60 | 74 | 1500 | 14-400 | 100-380 |
| Модельный/спецификации | B | C | D | E | F | G | H | J | K | L | |
| SC-03 | 85 | 45 | 60 | 73 | 16 | 3,5 | 3-M6x1P | 32 | 11 | 15 | 7 |
| SC-04 | 112 | 58 | 80 | 95 | 24 | 4,5 | 3-M8x1.25P | 42 | 15 | 17 | 8 |
| SC-05 | 132 | 60 | 100 | 115 | 32 | 4,5 | 3-M8x1.25P | 50 | 20 | 19 | 8 |
| SC-06 | 167 | 66 | 130 | 147 | 45 | 5 | 3-M10x1.5P | 70 | 20 | 31 | 10 |
| SC-07 | 193 | 76 | 155 | 172 | 58 | 5 | 3-M10x1.5P | 84 | 25 | 28 | 11 |
| SC-08 | 203 | 76 | 160 | 176 | 58 | 5 | 3-M10x1.5P | 84 | 25 | 28 | 11 |
| SC-09 | 233 | 84 | 190 | 210 | 70 | 5,5 | 3-M12x1.75P | 84 | 25 | 28 | 12 |
| SC-10 | 273 | 86 | 230 | 250 | 89 | 5,5 | 3-M12x1.75P | 105 | 28 | 33 | 12 |
| SC-12 | 310 | 96 | 260 | 285 | 105 | 7 | 3-M12x1.75P | 125 | 32 | 41 | 14 |
| SC-14 | 355 | 112 | 300 | 328 | 127 | 7 | 6-M12x1.75P | 125 | 32 | 41 | 15 |
| SC-16 | 405 | 122 | 345 | 375 | 160 | 8 | 6-M14x2P | 145 | 36 | 56 | 15 |
Особенное обещание послепродажного обслуживания
Для полностью цыпленка NTH точности ручного, наша компания гарантирует следующие повышенно-ценные обслуживания:
1. Свободный осмотр после возвращающ в нашу фабрику.
2. Свободный молоть для зажимая дуги кулачков патрона для того чтобы сделать челюсти соотвествовать первоначальный точности фабрики.
3. Обеспечить план обслуживания свободно.
4. Для вышеуказанных обслуживаний, независимо от того, как длиной ручной цыпленок использован, потребителям только нужно оплатить туда и обратно перевозку.
5. Если любым поврежденным частям ручного цыпленка нужно изменить, то потребители как раз оплачивают для новых частей.
Вопрос к изменениям технологии без прежней информации
Нештатные требования можно сделать