Гидравлический покрывая схват силы схвата и трубопровода силы использован для макетировать или ломать-вне кожухов или труб в диаметрах 4"--133/8". Покрывая схваты и схваты трубопровода конструированы и изготовлены согласно спецификациям 7K SY/T5074 и API.
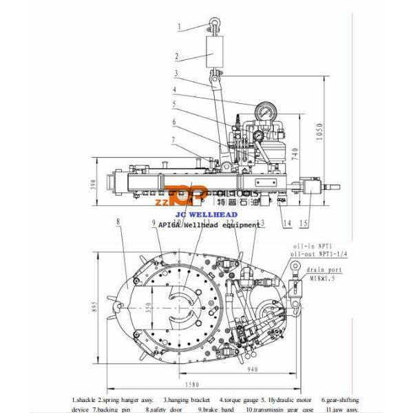
Спецификации гидравлического покрывая схвата силы схвата и трубопровода силы
| 1 | Гидравлический покрывая размер 7" схвата Assy.Pipe силы - 20" O.D, 50 000 подъем вращающего момента 2 500 Psi.Includes вращающего момента 7 700 ft/lbs ft/Ibs Макс минимальный Клапан, блокировка двери безопасности и цепная длина Hanger.Max: 80,25" 203,8 дюймы высоты см (двери закрыли): 28"/71,1 см (грузоподъемная цепь Не Induded) Общая ширина: 50,5" см дюймов 128,3 |
| 2 | *ACCESSORIS |
| Собрание напряжения датчика вращающего момента, 3 НЕТ | |
| Челюсть умирает набор для 13-3/8», набор 3 | |
| Набор Dle челюсти для 13-5/8», набор 3 | |
| Челюсть умирает набор для 14", набор 3 | |
| Челюсть умирает набор для 16", набор 3 | |
| Челюсть умирает набор для 18-5/8», набор 3 | |
| Челюсть умирает набор для 20", набор 3 | |
| 3 | Гидравлический покрывая размер 4-1/2-14 " O.D схвата Assy.Pipe силы, 50 000 вращающий момент вращающего момента 12 560 ft/lbs ft/lbs Макс минимальный 2 500 Psi Подъемный клапан Incudes, блокировка двери безопасности и цепная вешалка Макс Длина: 70-3/8 " высота см дюймов 179: 57" включение/145 см Ширина грузоподъемной цепи общая: 41" медленно двигает см /104 |
| 4 | Собрание напряжения датчика вращающего момента, 5 не |
| Челюсть умирает набор для 7", набор 5 | |
| Челюсть умирает набор для 9-5/8», набор 5 | |
| Челюсть умирает набор для 10-3/4», набор 2 | |
| Челюсть умирает набор для 11-3/4», набор 2 | |
| Челюсть умирает набор для 13 3/8", набор 5 | |
| Челюсть умирает набор для 13 5/8", набор 2 | |
| Челюсть умирает набор для 14", набор 2 | |
| 5 | Гидравлический я ubing сила длинное Assy.Pipe определяю размер 2-3/8-8 5/8 O.D 25 000 вращающий момент ft/Ibs Макс Torque5,100 Ft/lbs минимальный 2 500 PSI. Включает клинчер резервное 8 5/8", Клетк-стиль сжимающей нагрузки Клапан Backup.Lift, блокировка двери безопасности и твердая вешалка. Максимальная длина: 58"/147,3 см Высота: 75-1/4»/191.1Cm Общая ширина: 36-3/4»/93,3 см |
| 6 | ACCESSORIS: |
| Собрание обжатия датчика вращающего момента, 4 НЕТ | |
| Челюсть укручения, 2-7/8-3-1/2», набор 4 | |
| Челюсть укручения, 3,668" - 5-l/2», 4Set | |
| Челюсть укручения, 5-3/4-7-5/8», набор 4 | |
| Укручение Gritface умирает, 4-1/8 " x 3-1/2», набор 4 | |
| Укручение Gritface умирает, 4-1/8 " x 4", набор 2 | |
| Укручение Gritface умирает, 6-3/8 " x 4-1/2», набор 4 | |
| Укручение Gritface умирает, 6-3/8 " x 5", 4 установленное Gritface | |
| Укручение умирает, 6-3/8 " x 5-1/2», набор 4 | |
| Укручение Gritface умирает, 8-1/2 " x 7", набор 4 | |
| Умирает, клинчер Gritface, 8-5/8 " x 3-1/2», набор 4 | |
| Умирает, клинчер Gritface, набор 8-5/8 " x 4,2 | |
| Умирает, клинчер Gritface, 8-5/8 " x 4-1/2», набор 4 | |
| Умирает, клинчер Gritface, 8-5/8 " x 5", набор 4 | |
| Умирает, клинчер Gritface, 8-5/8 " x 5 набор 1/2 " 4 | |
| Умирает, клинчер Gritface, 8-5/8 " x 7", набор 4 | |
| Die.Clincher Gritface, 8-5/8 " x 7 5/8", набор 2 | |
| 7 | Гидравлический размер 2-3/8 схвата Assy.Pipe силы трубопровода» - 5 1/2» O.D, 19 800 вращающий момент 2 500 вращающего момента 3 960 ft/Ibs ft/Ibs Макс минимальный Клинчер резервное 5 1/2 Psi.Includes», обжатие Клапан Клетк-стиля Backup.Lift нагрузки, блокировка двери безопасности и Твердая длина Hanger.Max: 52" медленно двигает см /132.1 Высота: 60"/152,4 ширины см общих: 35"/89 см |
| 8 | Собрание обжатия датчика вращающего момента, 2 НЕТ |
| Челюсть умирает набор для 2-3/8», набор 2 | |
| Челюсть умирает набор для 2-7/8», набор 2 | |
| Челюсть умирает набор для 3-1/2», набор 2 | |
| Челюсть умирает набор для 4", 1 набор | |
| Челюсть умирает набор для 4-1/2», набор 2 | |
| Челюсть умирает набор для 5", набор 2 | |
| Челюсть умирает набор для 5-1/2», набор 2 | |
| Умирает, клинчер, 5-1/2 " x 2-3/8», набор 2 | |
| Умирает, клинчер, 5-1/2» X2-7/8», 2Set | |
| Умирает, клинчер, 5-1/2 " x 3-1/2», набор 2 | |
| Умирает, клинчер, 5-l2 " X4°, lSet | |
| Умирает, клинчер, 5-1/2 " x 4-1/2», набор 2 | |
| Dic, клинчер, 5-1/2 " x 5", набор 2 | |
| Набор 5-1/2 " 2 Die.Clincher.5-112 " x |

О Wellhead JC
Машинное оборудование нефти Jingcheng изготовляя CO., Ltd было установлено в 2008, мы специализированы в дизайне и производстве оборудования wellhead месторождения нефти. Мы - YCJC зарегистрированный поставщик для CNPC, GWDC, CCDC в Китае и получили сертификат API от 2010.
В 2012, wellhead JC соединил с инструментами масла ВЕРХНЕЙ ЧАСТИ ZZ, и нашел офис в Сиань главным образом принимался за за рубежом выходить на рынок, через эти леты усилий, наше оборудование wellhead экспортирован к много стран, как Таиланд, ОАЭ, Иран, Бразилия, Аргентина, США etc. и насладился хорошей репутацией от клиентов.
В 2012, wellhead JC соединил с инструментами масла ZZ ВЕРХНИМИ для того чтобы расширить международное дело, для того чтобы соотвествовать клиентов различный, мы работает с другими большими компаниями буровой установки для того чтобы поставить другое оборудование месторождения нефти, как компоненты буровой установки (насос & части грязи, роторное шарнирное соединение, путешествуя блок, крюк etc), регулируя инструменты (выскальзывание, лифт, паук, схват кожуха, схват силы, ручной схват etc.) и так далее.