207.5# (60мм) Общая вершина, Aersol конус из оловянной плиты Фабрика прямых продаж

Пункт D207.5 Общая крышка для баллончиков
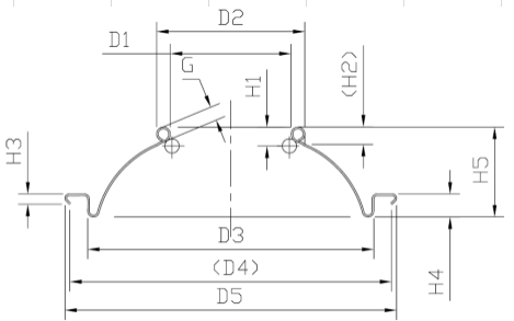
толщина
Система регулирования/количество оцинкованного покрытия T3/T4CA/BA
Внешний диаметр фланца 69,90±0,20 мм
Внутренний диаметр фланца 67,60±0,20 мм
Высота крышки 13,40±0,15 мм
Общая высота покрытия 18,50±0,15 мм
Высота контакта 4,00±0,10 мм
Высота фланца 2,45±0.15
Глубина противопогружения 5,00±0,10 мм
Внешний диаметр отверстия резервуара 31,20±0,10 мм
Внутренний диаметр отверстия резервуара 25,40±0,10 мм
Верхний гег весит (0,34) 16,0 ~ 16,8 г
Верхний гег весит (0,33) 15,6 ~ 16,4 г
Масса сухой пленки герметизатора 70-90 мг
Содержание влаги в герметичном средстве /
Давление деформации ≥1,3 МПа
Давление взрыва ≥ 1,5 МПа
Вопрос: Вы можете прислать образцы?
A: Конечно, мы можем отправить образцы во все части мира, наши образцы бесплатны, но клиенты должны
несет расходы курьера.
Вопрос: Какую информацию о продукте мне необходимо предоставить?
Ответ: Вам необходимо предоставить приобретенные спецификации (технические инструкции и чертежи спецификаций указаны в описании продукции) покрытия и количество.
Вопрос: Каковы порты доставки?
A: Мы отправляем из порта Тяньцзинь, или в соответствии с вашим назначенным портом.
Вопрос: Что касается цен на продукцию?
Ответ: Цены варьируются в зависимости от периода из-за циклических изменений цен на сырье.
Вопрос: Сколько времени занимает доставка?
О: В целом, время доставки составляет 20-45 дней, и может быть задержано, если спрос чрезвычайно велик или возникают особые обстоятельства.
Вопрос: Могу ли я посетить вашу фабрику?
О: Конечно, мы приветствуем клиентов со всего мира, чтобы посетить нашу фабрику.