Воздух мотора шпинделя Bander края охладил мотор шпинделя филировальной машины 350w
Наши продукты получают широкое применение в гравировальном станке, прокладчике вырезывания, машине ткани, принтере 3D, медицинских инструментах, оборудовании света этапа, роботе, CNC, фонтане музыки, и другом промышленном автоматическом оборудовании.
Наши продукты экспортированы к во всем мире, включая Европу, Южную Америку, Северную Америку, Африку, Юго-Восточную Азию, etc.
Мы можем разрешить фактическое используя проблемы для клиентов. Наши продукты сильно одобрятьы клиентами из-за своей легкой деятельности, длиной используя жизнь, стабилизированное представление.
1. Импортированные подшипники; подшипники с противопыльным кожухом, более безопасным
2. Используя меля процесс, смогите улучшить концентричность мотора и увеличить жизнь
3. С воздушным охлаждением мотор, скульптура действенная, высокая точность, длинная жизнь
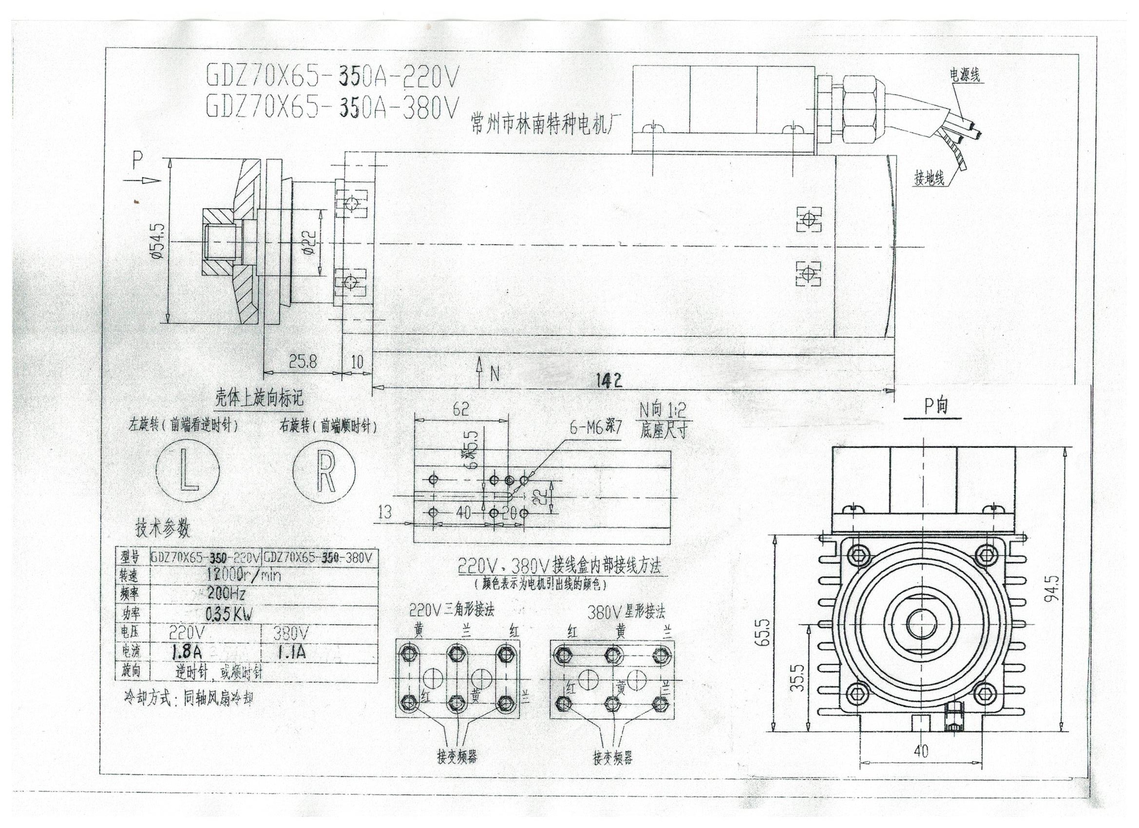
Характеристики продукта
скорость: 12000rpm
сила: 350w
Напряжение тока: 220V 380V
размер: 70*65MM
Схема данных нашего мотора шпинделя водяного охлаждения
| Модель никакая | скорость (R/Min) | сила (Kw) | напряжение тока (v) | настоящий (a) | частота (HZ) | Ремесло | воздухопровод | |
| GDZ70*65-350 | 12000 | 0,35 | 220 380 | 1.63/0.94 | 200 | головы | наружный | |
| GDZ70*65-700 | 12000 | 0,7 | 220 380 | 3.7/2.2 | 200 | Утеска | наружный | |
| GDZ70*65-750 | 12000 | 0,75 | 220 380 | 3.9/2.3 | 200 | Утеска | наружный | |
Размер мотора:

Пары Suitful:

