Подгонянный термальный протектор T23 с кабелем и водоустойчивая функция для антифриза и топления трубопровода
1. Преимущества для этого подгонянного термального протектора.
1) С дополнительным процессом случая и клея для превосходного сделайте водостойким.
2) Точность высоты, высокая чувствительность с осмотром выхода 100% для превосходной теплозащиты.
3) легкая установка.
4) Умеренная цена и любезное обслуживание.
2. Параметры и спецификация.
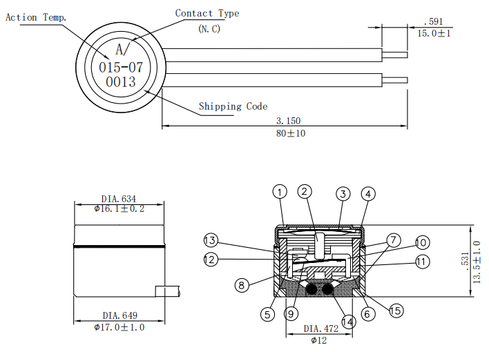
| Название фирмы | Светлое CountryTaiwan |
| Продукт | Подгонянный протектор T23 HW термальный |
| Тип | Автоматический возврат в исходное положение |
| Электрическая оценка | 16A/250V, 15A/125V, 10A/250V |
| Рабочая температура | 0℃~250℃ |
| Дифференциал | 8℃ или больше, решенный клиентом. |
| Крышка | Кругом, см. следовать спецификация для выбора или подгонянный. |
| Терминальный материал | Кабель (провод), 20AWG (UL 3266), VW-1, 300V, 125 ДЕГ C |
| Случай | PPS (бакелит, керамическое доступное) |
| Применение | Антифриз и топление трубопровода |
| Сертификат изготовителя | ISO9001, ISO14001, IATF16949 |

Если протектор T23 HW шоу изображения термальный смог соотвествовать ваш, то вы можете сослаться на под спецификацию термостата KSD301 для некоторых общих стилей, выбрать тип вы любите, или делите ваши требования, как температура действия, кронштейн и терминал type&size. Мы поддержим подгонянную продукцию, самую лучшую цену и обслуживание.


3. Внимания о термальной установке протектора T23.
1) Когда отборный термальному протектору, нужно подтвердить точную температуру. Для избежания изменений температуры причиненных тепловой инерцией, термальной кондукции и другим факторы, нужно рассматривать следующие факторы.
a. Часть обнаружения контроля температуры.
b. Толщина и материал компонента передачи тепла.
c. Сила нагревающего элемента.
d. Количество нагретого средства.
e. Температура окружающей среды и воздушное давление.
2) Во время термального протектора используя процесс, нужно избежать влаги и загрязнения, в противном случае оно повлияет на электрическое представление продукта. Порекомендованная рабочая Среда термального протектора что относительная влажность ≤90%, никакой контакт с въедливыми и огнеопасными вещами.
3) во время использования процесса, нужно высокое внимание избежать отказов причиненных большой силой на внутренности случая, и жидкость прорезывает в термостат. Держите случай чистой для предотвращения проведения изоляции от уменьшать или даже нервного расстройства короткого замыкания после термального протектора загрязнятього проводным средством.
4. вопросы и ответы.
Q1: Как можем мы получить цитату?
: Пожалуйста предложите спецификацию термального протектора, как рабочая температура, стиль случая/кронштейна, применение, изображение etc. количества или чертеж радушен для нашей ссылки.
Q2: Как можем мы получить чертеж.
: После подтвердите детальную спецификацию, мы обеспечит чертеж через электронную почту, WhatsApp, Wechat и другие пути.
Q3: Что MOQ?
: Нормально наше MOQ 1000 ПК. Более большое количество смогло выиграть более низкую цену. Мы можем поддержать небольшое количество для цели теста.
Q4: Как насчет времени выполнения?
: Для термального образца протектора делая, он обычно принимает около 1 неделю.
Время выполнения было бы 20days с долгосрочным прогнозом.
Оцененное время выполнения было бы вокруг 30days без прогноза.
Мы попробуем наиболее хорошо поддержать для того чтобы сократить время выполнения если любой срочный заказ.
Q5: Гарантия?
: Мы предлагаем гарантию 1 года.
Q6: Доставка.
: Клиент смог назначить срочное или товароотправителя для доставки, или мы спрашиваем наш источник для того чтобы сделать его если клиент думает что больше стоимости сбережений.
5. О нас.
Светлая страна была основана в 1985 в Тайване.
Мы предназначаем на термальном перекидном переключателе протектора и.
Эти части широко использованы в бытовом приборе, электрических продуктах, конторских машинах, промышленных объектах, медицинских службах и так далее.
Они смогли быть подгоняны конструированный основанный на требовании конц-клиентов.
Для того чтобы обеспечить обслуживание самое лучшее клиента, мы с интеграцией НИОКР, продукции, продаж и пост-продаж также.
Мы получаем ISO9001, ISO14001, CQC, UL/CUL, VDE, TUV, SEMKO, сертификат NEMKO, исполняем с регулировками ROHS/REACH.
Мы обещаем умеренной цене, стабилизированному качеству, своевременной доставке и главному обслуживанию.
Большое спасибо на ваше время, добросердечно позволяют нам знать если что-нибудь, то мы можем помочь. Свяжитесь мы через ниже путь,
Продажи: Томас Ли
Телефон: +86 138 6234 1050
Почта: KSD301@aliyun.com
WhatsApp: +86 15850802713