1. Спецификация перекидного переключателя затвора R5.
| Изготовитель | Светлое CO. страны (Changshu), LTD |
| Модель | Перекидной переключатель затвора R5 |
| Электрическая оценка | AC 16A/20A/25A 250V, AC 20A 125V |
| Вырез панели | 22*30mm |
| Механическая выносливость жизни | 30 000 циклов |
| Электрическая выносливость жизни | 10 000 циклов |
| Безопасно утверждение | UL, CUL, VDE, TUV, ENEC, CQC |
| Цвет лампы | Красный, также клиент поддержки требовал цвета |
| Расквартировывать материал | PA66/PC |
| Материал контактов | Серебряный сплав |
| Терминальный материал | Покрытая латунь с серебряным |
| Сопротивление контракта | <20m> |
| Сопротивление изоляции | >1000MΩ |
| Температура окружающей среды | T85/T105 |
| Оценка огня | UL 94V-2. UL 94V-0. |
| Способность припоя терминала | Макс 350℃ 3S, не придает давление к терминалу паяя вручную. |
2. Как приказать перекидной переключатель затвора R5?
Перекидной переключатель сильно подгонянный продукт, различный клиент мог иметь различное требование на функции переключателя, компонентном снабжении жилищем и своих цвете, форме привода и цвете, маркировке, терминальном типе, напряжении тока лампы и так далее. Пожалуйста см. нормальные выборы как ниже, и доля с нами ваше требование. Мы всегда восприимчивость для того чтобы поддержать клиента для нового дизайна для самого лучшего обслуживания.
1) варианты функции переключателя затвора R5.
|
Деталь Нет. |
Poles/ Ходы |
Положение коромысла | ||
| Левая сторона | Центр | Право | ||
| R59 |
DPST с лампой |
НА | Никакие | |
2) вырез панели перекидного переключателя затвора R5.

| Вырез панели | ||
| Z | Y | X |
| 0.7~1.25 [.028~.049] | 22.1~22.2 [.870~.874] | 30.0~30.2 [1.181~1.189] |
| 1.25~2.0 [.049~.079] | 22.1~22.2 [.870~.874] | 30.2~30.4 [1.189~1.197] |
| 2.0~3.0 [.079~.118] | 22.1~22.2 [.870~.874] | 30.6~30.8 [1.205~1.213] |
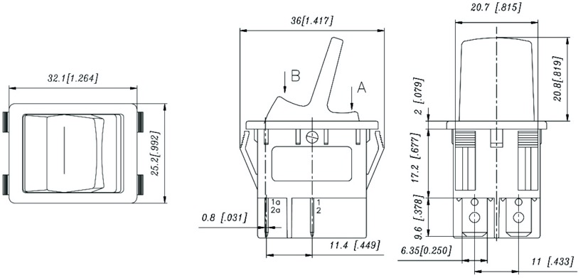
3) размер перекидного переключателя затвора R5.

4) если этот переключатель не смог соотвествовать ваш, пожалуйста, то см. ниже простая спецификация для обнаружения полностью наш общие типы, и проверите если любое смогло выполнить ваше требование, долю с нами ваша спецификация или изображения, то продукта если вам нужна новая поддержка дизайна от нас.

3. О нас.
Светлая страна была основана в 1985 в Тайване.
Мы предназначаем на перекидном переключателе и термостате.
Эти части широко использованы в бытовом приборе, электрических продуктах, промышленных объектах, медицинских службах, etc.
Для того чтобы обеспечить обслуживание самое лучшее клиента, мы с интеграцией НИОКР, продукции, продаж и пост-продаж также.
Наша фабрика уже получила ISO9001, ISO14001, сертификаты IATF16949.
Наши продукты уже получили CQC, UL/CUL, VDE, TUV, SEMKO, сертификаты NEMKO, исполняют с регулировками ROHS/REACH.
Мы обещаем изделиям высокого качества, своевременной доставке, внимательному обслуживанию, эффективным улучшениям.
Большое спасибо на ваше время, пожалуйста чувствуют свободными связаться мы через внизу пути,
Продажи: Томас Ли/Джулия Liu
Телефон: +86 138 6234 1050/+86 180 2126 2273
Почта: lixin@liangqundianzi.cn или ksd301@aliyun.com
WhatsApp: +86 158 5080 2713