Покрытый медистым серебром терминальный AC AC 1A 250V серии 3A 125V переключателя мощности P13 кнопки
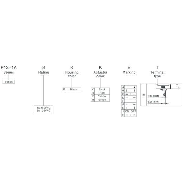
Спецификация серии P13
Безопасно утверждение: UL, CUL, VDE, ENEC
Электрическая оценка: AC 3A 125V, AC 1A 250V
Механическая выносливость жизни: 30 000 циклов
Электрическая выносливость жизни: 10 000 циклов
Сопротивление контракта: <20mΩ
Сопротивление изоляции: >1000MΩ
Температура окружающей среды: T85/T105
Оценка огня: UL 94V-2. UL 94V-0. Зарев-провод, определение температуры воспламенения иглы.
Материал снабжения жилищем: PA66
Материал контактов: Серебряный сплав
Материал терминала: Покрытое медистое серебро
Способность припоя терминала: Макс 350℃ 3S, не придает давление к терминалу сваривая вручную.
Правило номера детали связывая: Выборы функции переключателя, цвета снабжения жилищем, цвета привода, маркировки, терминального типа, напряжения тока лампы можно найти здесь.

Вариант функции переключателя:
| Деталь никакой | Poles& Ходы | Положение коромысла | ||
| Левая сторона | Центр | Право | ||
| P13-1A | SPST | НА | Никакие | |
| P13-1B | SPST | (ДАЛЬШЕ) | Никакие | |
| P13-1C | SPST | () | Никакие | НА |
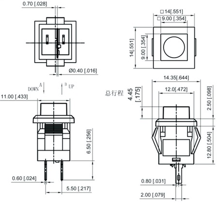
Размер
