17АМК термальный протектор, переключатель температуры 17АМК
принцип и структура термального протектора 17АМХ/17АМХ+ПТК
термальный протектор 17АМХ избытк-настоящий термальный протектор с компактным дизайном, быстро и точное действие, мы можем заклепать разные виды руководств согласно требованиям к клиентов.
Теплозащита 17АМХ+ ПТК, в 17АМХ термальный протектор на основании нагревающего элемента ПТК установлен внутрь, должный к электрической работе не нормальна, причиняет окружающую температуру, когда достигаемости жары отключают протектор температуры, биметаллическая пластинка быстро скачет действие, делает 2 с контакта, для того чтобы отрезать цепь. Пока в то же время должный к сломленному пункту касания на напряжении тока приложенном к нагревающим элементам ПТК, произведите достаточную жару для того чтобы держать биметаллическую пластинку для того чтобы продолжать поскакать, только когда отрезать электропитание может контактировать закрытие.
применение термального протектора 17АМХ/17АМХ+ПТК
термальный протектор 17АМХ применим ко всем видам мотора, комментатора для люминесцентной лампы, трансформатора, ламинатора, ламп и освещения, трансформаторов, машины запечатывания крышки & несколько из бытовых приборов
спецификация термального протектора 17АМХ/17АМХ+ПТК
1. Электрическая оценка и течения: АК-125В 15А; АК-250В 10А, ДК-16В 20А
2. Жизненные циклы контакта: АК-125В 15А, АК-250В 10А больше чем 10 000 циклов; АК-125В 5А больше чем 100 000 циклов
3. Температурная амплитуда рабочей температуры: 50-180°К
4. Допуск температуры: ±2°К, ±3°К, ±5°К
5. Температура возврата: 10~45 градусов в с спаде температуры.
6. Рабочие временена: ≥ 10000 раз
7. Кодовая система
17АМ ССС а/б 5 а, б, к, д ........... з
(17АМХ): Число серии продукта
(ССС): Отключение с температуры в коде °К
(А/Б): А: Терминалы в таком же направлении/б: Терминалы в противоположном направлении
(5): С кода допуска температуры
(А, Б, К, Д ........... З): Разный вид прошивочного провода
8. Отключение с температуры в коде °К
|
°К градусов |
Код |
°К градусов |
Код |
°К градусов |
Код |
°К градусов |
Код |
|
55°К |
018 |
90°К |
025 |
125°К |
032 |
160°К |
039 |
|
60°К |
019 |
95°К |
026 |
130°К |
033 |
165°К |
040 |
|
65°К |
020 |
100°К |
027 |
135°К |
034 |
170°К |
041 |
|
70°К |
021 |
105°К |
028 |
140°К |
035 |
175°К |
042 |
|
75°К |
022 |
110°К |
029 |
145°К |
036 |
180°К |
043 |
|
80°К |
023 |
115°К |
030 |
150°К |
037 |
|
|
|
85°К |
024 |
120°К |
031 |
155°К |
038 |
|
|
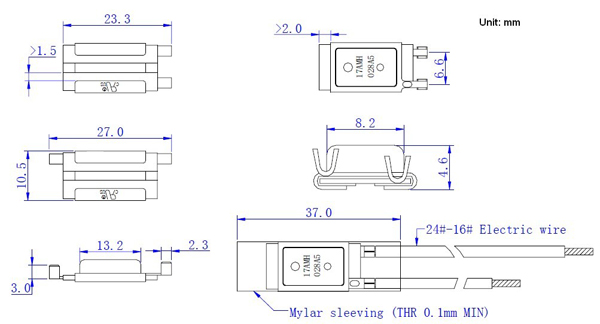
чертеж термального протектора 17АМХ

Чертеж термального переключателя возврата вручную 17АМХ+ПТК
