1. Особенности
·Малопотертая и высокая надежность
·Modularized дизайн
·свободный от Эпоксидн на оптически пути
2. Применения
·Сеть кольца
·Дистанционный контроль в оптически сети
·Испытывать волокна, оптически компонент
3. Соответствие
a.Telcordia GR-1209-CORE-2001
b.Telcordia GR-1221-CORE-1999
c.ITU-T G.694.1
d.RoHS
4. Спецификации
| Параметры | Блок | FSW-1×24 | |
| Диапазон длины волны | nm | 850±40/1300±40 | 1260 | 1650 |
| Длина волны теста | nm | 850 | |
| Вносимая потеря | dB | ≤1.2dB (включите соединитель оптического волокна) | |
| Потеря возвращения | dB | MM ≥ 30 | |
| Помеха | dB | MM ≥ 35 | |
| PDL | dB | ≤0.05 | |
| WDL | dB | ≤0.25 | |
| Повторимость | dB |
dB ≤±0.05 |
|
| Рабочий потенциал | V | 3,0 или 5,0 | |
| Стойкость | Циклы | ≥ 10 миллионов | |
| Переключая время | госпожа | 10ms (смежный канал) | |
| Оптически сила | mW | ≤500 | |
| OperatingTemperature | ℃ | -20 | +70 | |
| Температура хранения | ℃ | -40 | +85 | |
| Относительная влажность | % | 5 | 95 | |
| Вес | g | 14 | |
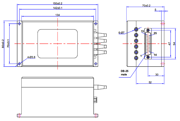
| Размер | mm | (L) 150.0× (W) 80× (H) 70 ±0.2 | |
|
Примечание: 1 в пределах рабочей температуры и SOP. 2 исключая соединителя. |
|||
Структура продукта 5

6 конфигураций Pin (DB9)

| Pin | Имя | I/O | Описание |
| 1,14,10,23 | GND | Сила | |
| 7 | TXD | Выход | Серийный порт отправляя сигнал |
| 6 | RXD | Входной сигнал | Серийный порт получает сигнал |
| 12,24,25 | +5VDC | Сила | +5VDC Макс: среднее 550mA: 300mA |
| Другой | NA |
Определение команды 6
Скорость передачи информации в бодах: 9600bps
Равенство: никакие
Бит информации: 8 битов
Бит стопа: 1bit
| Команда | Описание |
|
Проверка текущего статуса: |
|
|
|
установка режима контроля: x=0: Параллельный контроль x=1: Серийный контроль Назад успешно: Задний отказ: |
|
|
Присутствующая установка канала: значение xxx: 000~128 (от ch0 к ch 128) Назад успешно: Задний отказ: |
7 примечаний:
При установке оптически модуля, ядр стекловолокна не должно быть слишком согнутым (см. ниже), для того НОП не повлиять на индекс представления оптически модуля.


обслуживания 8.Our:
изготовитель a.Professional, 100% испытанное для больше чем 3 раза.
решения b.Customers в днях, не неделях.
обслуживания c.Warmly с особыми вниманиями.
d.Can обеспечивают ваше специфическое дознание в течение 24 часов.
e.Save очень стоило, приносит больше преимуществ для клиента для того чтобы расширить дело.
f.We многолетний опыт 12 в этом поле. Мы профессиональный поставщик что вы можете доверить.