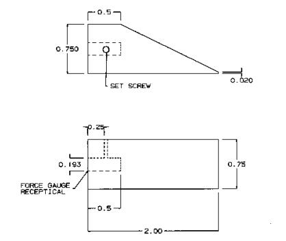
Зонд доступа нержавеющей стали (Hasbro) согласно испытанию волдыря SRS035 герметизируя
Описание
Установить процедуру и обеспечить спецификацию для обеспечения волдырей на Hasbro в продуктах как следует sealesd к картам волдыря.
| Материал | Alu.alloy |
| Допуски размера | +/-1mm |
| Допуски по углу | +/- 1degree |
Процедура
Проверите продукт и detemine если любое разъединение волдыря произошло в результате теста транспорта.
Используя доступ proble приложите переднюю часть 3 paralled lbs к карте волдыря волдыря sperate от карты на каждой плашке волдыря
На различном образце, sperate волдырь от карты прикрепленной струбциной напряжения к углу волдыря и перпендикуляра вытягивать к поверхности карты.
