Испаритель падая фильма SS304 FFE-20 2.4KW
Описание испарителя падая фильма
Испаритель падая фильма можно непрерывно эксплуатировать под вакуумом и низкими температурными условиями, с высокой емкостью испарения, уменьшением энергосберегающего, потребления и низкими производственными затратами. Он может поддерживать первоначальные цвет, ароматность, вкус и ингредиенты обрабатываемых материалов в максимальной степени. Как необходимое оборудование испарения, он широко использован в много индустрий как еда, медицина, еда глубоко обрабатывая, напиток, легкая промышленность, охрана окружающей среды, химическая промышленность и другие поля. Испаритель можно конструировать в различный поток процесса согласно характеристикам различных материалов, который нужно обрабатывать, и может также быть оборудован со станцией автоматического регулирования согласно требованиям различных потребителей.
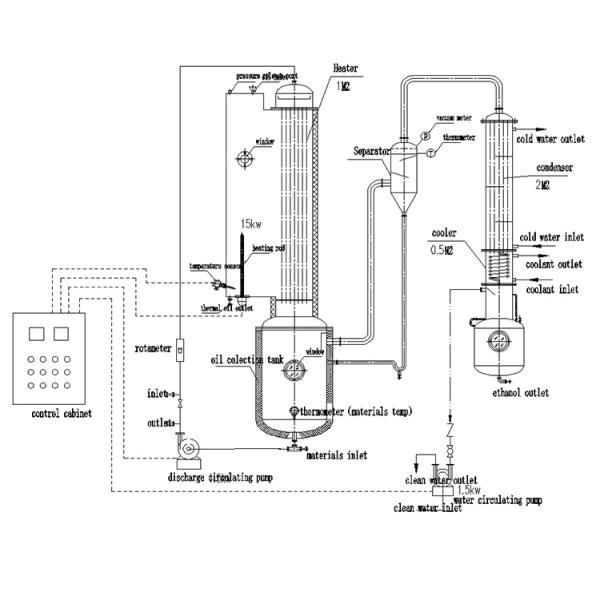
Испаритель падая фильма состоит из испарителя (теплообменного аппарата), разделителя, предподогревателя, конденсатора, конденсатного танка, насоса циркуляции и других компонентов. Он работает от верхней части ко дну вниз. В деятельности испарителей падая фильма, материалы добавлены от верхней части обогревательной трубы. Они равномерно распределены в каждую трубу падая фильма через раздатчика, и подачу вниз со стены трубы в государстве жидкостного фильма. Под действием силы тяжести и вторичной подачи пара, материалы получают испаренными пока пропускающ вниз. На дне трубки падая фильма, материалы и вторичный пар по существу отделены, и они достигают камеру разъединения для того чтобы достигнуть полного разъединения.
Обслуживание
1. Всегда проверяйте ли чашка масла насоса краткость масла, и ли охлажденная вода в механическом уплотнении сломленна.
2. всегда проверить фланцы и соединения оборудования для утечки воздуха.
3. Когда механическое уплотнение насоса повреждено, оно должно быть заменено во времени.
4. Когда повреждены шарик задерживающего клапана резиновый и резиновое набивка, они должны быть заменены во времени.
5. Если индикации как термометр, датчик вакуума, манометр, etc. неточны, то они должен быть proofread или заменен во времени.
6. Поверхность оборудования не должна быть протерта с трудным scrubbing инструментом (как стальная щетка) для избежания царапин и царапин на поверхности нержавеющей стали.
Параметр Techinical испарителя падая фильма
| Модель | FFE-20 | FFE-50 | FFE-100 | FFE-200 | FFE-500 | FFE-1000 | 
| Тариф испарения (L/H) | 20 | 50 | 100 | 200 | 500 | 1000 | 
| Нагревая область (㎡) | 1,2 | 3 | 5 | 12 | 25 | 50 | 
| Зона конденсации (㎡) | 1,5 | 5 | 7,5 | 16 | 30 | 60 | 
| Полная сила (KW) | 2,4 | 2,46 | 4,11 | 5,6 | 6,7 | 8,35 | 
| Насос подпитки (KW) | 0,55 | 0,55 | 1,1 | 1,5 | 1,5 | 1,5 | 
| Напряжение тока | 220V 60Hz | |||||
Дисплей испарителя падая фильма




