Вертикальная NC-бура серии ld4

Особенности башни:
Вертикальная NC-башня модели LD4 серии использует принцип работы червяного колеса и червя для привода, сцепление переднего привода в качестве тонкого механизма индексации, большой винт для зажима,Отправление сигнала с холлом..Отличается быстрыми инструментами для смены, высокой точностью повторения, высокой жесткостью.
2. Параметры производительности
| 重复定位精度" Точность повторяемости" | 电机功率Моторная мощность ((W) | 电机转速Мотор перефразирован | 换刀时间Время смены инструмента и замка | Наиболее важный направляющий моментMax.tangential torque ((N·m) |
| 90o | ||||
| ±2 | 40 | 1400 | 1 | 100 |
| ±2 | 50 | 1400 | 1.2 | 150 |
| ±2 | 90 | 1400 | 1.7 | 300 |
| ±2 | 90 | 1400 | 1.9 | 400 |
| ±2 | 120 | 1400 | 2 | 500 |
| ±2 | 120 | 1400 | 2 | 500 |
| ±2 | 120 | 1400 | 2 | 600 |
| ±2 | 120 | 1400 | 2 | 600 |
| ±2 | 180 | 1400 | 2.5 | 800 |

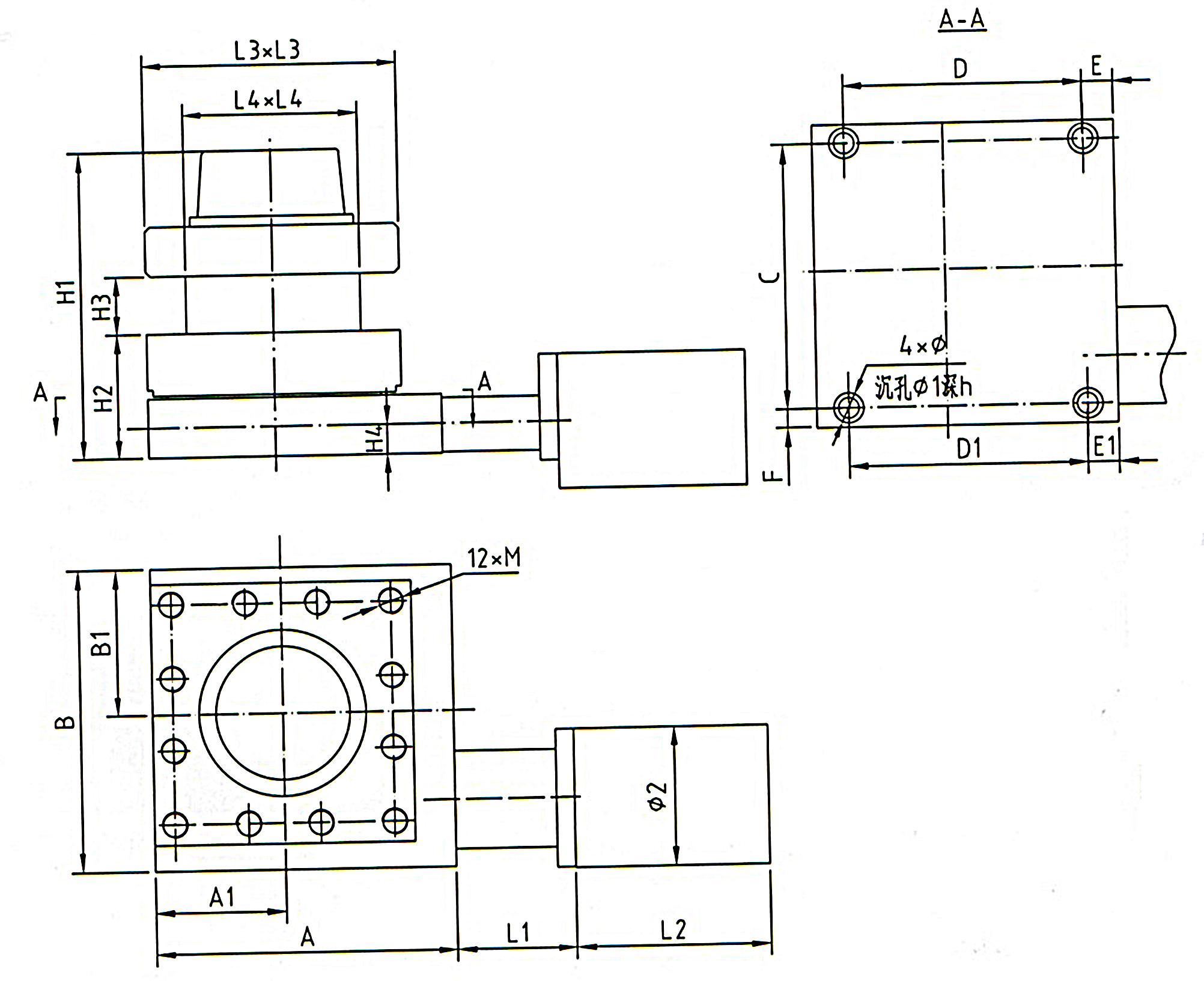
| H2 | H3 | H4 | Л1 | Л2 | Л3 | Л4 | А. | А.1 | В. | В.1 | В | D | D1 | Е | Е1 | F | φ | φ1 | φ2 | h | М |
| 40 | 15 | 11 | 57.5 | 86 | 70 | 50 | 70 | 35 | 87 | 36 | 74 | 57 | 50 | 6.5 | 10 | 6.5 | φ7 | φ11 | φ68 | 6.5 | M6 |
| 48 | 19 | 16 | 58 | 100 | 80 | 56 | 80 | 40 | 110 | 55 | 94 | 64 | 52 | 8 | 13 | 8 | φ9 | φ14 | φ78 | 9 | М8 |
| 51 | 22 | 16 | 86 | 118 | 110 | 80 | 120 | 55 | 126 | 56 | 110 | 90 | 80 | 15 | 20 | 8 | φ9 | φ14 | φ88 | 9 | M10 |
| 57 | 35 | 16.5 | 110 | 118 | 136 | 96 | 136 | 68 | 148 | 68 | 126 | 108 | 108 | 14 | 14 | 11 | φ11 | φ17 | φ88 | 11 | M12 |
| 70 | 40 | 21 | 76 | 127 | 152 | 104 | 161 | 76 | 171 | 76 | 146 | 126 | 126 | 23 | 23 | 12 | φ13 | φ19 | φ88 | 13 | М16 |
| 77 | 33 | 21 | 76 | 127 | 152 | 104 | 161 | 76 | 171 | 76 | 146 | 126 | 126 | 23 | 23 | 12 | φ13 | φ19 | φ88 | 13 | М16 |
| 81 | 40 | 23 | 76 | 127 | 162 | 112 | 192 | 81 | 192 | 105 | 168 | 152 | 152 | 20 | 20 | 12 | φ13 | φ19 | φ88 | 13 | М16 |
| 121 | 40 | 47 | 76 | 127 | 162 | 112 | 192 | 81 | 192 | 105 | 168 | 152 | 152 | 20 | 20 | 12 | φ13 | φ19 | φ88 | 13 | М16 |
| 112 | 51 | 40 | 110 | 132 | 200 | 124 | 200 | 100 | 200 | 100 | 177 | 150 | 130 | 25 | 35 | 11.5 | φ13 | φ19 | φ98 | 13 | М16 |
| 120 | 51 | 40 | 110 | 132 | 200 | 124 | 200 | 100 | 200 | 100 | 177 | 150 | 130 | 25 | 35 | 11.5 | φ13 | φ19 | φ98 | 13 | М16 |
5Производственная линия



6Наша служба.
1Мы являемся прямой фабрикой с хорошей ценой и быстрым сроком поставки.
2Профессиональная команда дизайнеров будет работать с вами.
3Профессиональная команда контроля качества гарантирует высокое качество.
4Предоставление услуг OEM и ODM.
7. Часто задаваемые вопросы
Вопрос: Какие параметры мы должны предложить нам для правильной котировки?
A: Применение, размеры, количество, требования к упаковке.
Вопрос: Каковы ваши преимущества?
Ответ: Честный бизнес с конкурентоспособной ценой и профессиональным обслуживанием процесса экспорта.
В: Мы можем посетить вашу компанию, чтобы проверить продукцию перед доставкой?
О: Вы можете посетить нашу компанию, чтобы проверить нас и нашу продукцию.
Вопрос: Сколько у вас сроков?
О: В течение 15-35 дней после подтверждения заказа.
Вопрос: Каковы ваши условия оплаты?
О: T/T, L/C, West Union, Paypal и т.д.
Исследуйте международный рынок, взаимовыгодное сотрудничество!