1.Descripition
Наши цыплята специально произведены для автомата для резки лазера волокна. Этот вид цыпленка ручной цыпленок двойн-силы. Он имеет 4 челюсти и внутри через структуру отверстия. Его можно приложить для того чтобы зажать работ-части циркуляра, квадратных, прямоугольных, эллиптических и другие другого с центральной симметрией оси.
Для этого только нужно соединить, который соответствуют мотор с шестерней после исправлять основание для того чтобы сделать его вращать.
Ручной контроль 2 групп в составе когти может зажать работ-часть плотно и управить работ-часть для того чтобы вращать. Из-за длинной длины частей обрабатываемых резцом, основной цыпленок используемый как главное положение вырезывания лазера и задний цыпленок соответствовали ему обычно установлены в пары на оборудование.
Оно легко установленный и прочный. Он может соотвествовать ваша потребность для обработки различной работ-части размеров и форм.
Если вам нужен customzied цыпленок, то мы также можем обеспечить подгонянный план согласно вашей потребности.
параметры 2.Performance
|
G500S-220 |
|
160mm |
|
/ |
|
0.4-0.9MPa |
|
500r/min |
|
20-215mm |
|
310mm |
|
1.85g.m2 |
|
108kg |
|
158kg |
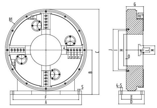
3.Dimensions
| Спецификации | B | B1 | C | D | E | F | G | H | Я | J | L | M | N | O | P | Q | R | S | |
| G400S-165 | 460 | 260 | 480 | 515 | 120 | 80 | 420 | 100 | 165 | 220 | 240 | 30 | 60 | 4 | 5 | 20 | M10 | 8-M8 | 14 |
4.Advantages
| A. полный дизайн хода |
| B. широкий диапазон применений, диверсификация обработки профилей |
| C. высокая повторяющийся располагая точность |
| D. низкие расходы на техническое обслуживание, длинный срок службы |
|
E. множественные конфигурации доступны e.2 типа Гребн или тип когти mortise-паза |
линия 5.Production

обслуживание 6.Our
1.We сразу фабрика с хорошей ценой и быстрое время выполнения.
работа проектной группы 2.Professional с вами.
команда QC 3.Professional для того чтобы гарантировать высококачественное.
обслуживание OEM 4.Providing & ODM.
ПОЧЕМУ ВЫБЕРИТЕ LINGMAN:
: Профессиональная фабрика:
Мы имеем особенный опыт 20year в manufacturing& экспортируя цыпленка. Наши imporoved и предварительное enquipment и имеемое умелое
техник так обеспечивает вас наиболее хорошо качественные и определенно с нашей самой лучшей конкурентоспособной ценой фабрики.
B: Хорошие материал и качество:
В виду того что мы честная фабрика, мы надеемся и выглядимся переднее длинное сотрудничество, так материал и качество мы оплатили высокое внимание. И для
качественный мы обычно оформляем заказ во время продукции дважды для того чтобы контролировать качество, и мы можем также испытани по машина
Поддержка C.Technicial:
Мы можем пересматривать размер как ваша просьба для встречи вашей машины.
Обслуживания D.Best:
Мы делаем самое лучшее усилие мы можем к нашим клиентам.
Исследуйте международный рынок, беспроигрышные сотрудничества!