1. описание
Полное имя цыпленка 4-челюсти само-центризуя цыпленок ручной 4-челюсти само-центризуя для механических инструментов. Оно состоит из тела диска, 4 небольших зубов наклона и пары челюстей. 4 небольших зуба наклона включены с проводом катушки, задняя часть провода катушки имеет структуру ленточной резьбы, и когти поровну установлены на ленточную резьбу. Когда небольшой зуб наклона будет вытягиван с ключем, катушка вращает, и ленточная резьба на задней части ее сделает подход к когтя или разделит к центру в то же время. Потому что тангажи плоских прямоугольных потоков на спиральном проводе равны, расстояния движения 4 когтей равны, который имеет влияние автоматический центризовать.
2 типа челюстей цыпленка 4-челюсти само-центризуя, включая объединенные челюсти и отдельные челюсти. Общий коготь коготь который интегрирует низкопробный коготь и верхний коготь, и пара общего когтя разделена в 4 положительных когтя и 4 обратных когтя. Пара когтей разъединения имеет только 4 когтя, и каждый коготь составлен низкопробного когтя и верхнего когтя. К тому же, мягкие челюсти можно также обеспечить согласно требованиям к потребителя, и высокую центризуя точность можно получить после случайной конфигурации (молоть) для того чтобы соотвествовать зажимая.
Челюсти цыпленка одно-действия 4-челюсти имеют только один тип объединенной челюсти. Одна челюсть может двинуть независимо для частей зажимать эксцентричных и незаконно форменных.
Если вам нужен customzied цыпленок, то мы также можем обеспечить подгонянный план согласно вашей потребности.
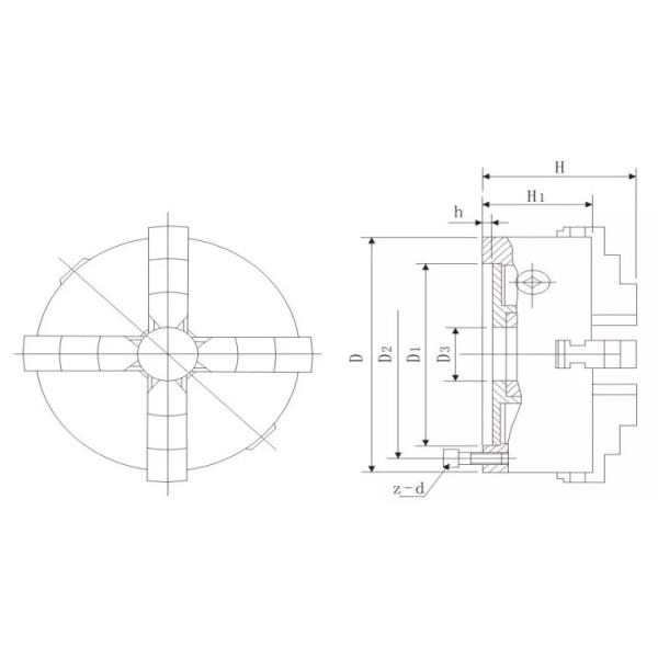
2. размеры


3. преимущества
| A. полный дизайн хода |
| B. широкий диапазон применений, диверсификация обработки профилей |
| C. высокая повторяющийся располагая точность |
| D. низкие расходы на техническое обслуживание, длинный срок службы |
|
E. множественные конфигурации доступны |
4. Наше обслуживание
| a. Мы сразу фабрика с хорошей ценой и быстрое время выполнения. |
| b. Профессиональная работа проектной группы с вами. |
| s. Профессиональная команда QC для того чтобы гарантировать высококачественное. |
| d. Обеспечивать обслуживание OEM & ODM. |
5. производственная линия
6. вопросы и ответы
1. Можем мы навестить ваша компания для того чтобы проверить продукты перед доставкой?
Вы радушны для того чтобы навестить наша компания для того чтобы проверить нас и наши продукты.
2. Что ваше время выполнения?
В течение 15-35 дней после подтверждать заказ.
3.What может вы купить от нас?
Одиночный нося цыпленок полного хода двух-действуя, пневматический цыпленок двойного действия 4-челюсти ведущего шатуна, цыпленок двойного действия полно-хода, с внешним финансированием цыпленок (твердой) 4-челюсти полости двух-действуя питаясь, двух-действуя цыпленок для профессионального автомата для резки трубы, etc.
4. Почему должны вы купить от нас не от других поставщиков?
①Мы сразу фабрика с хорошей ценой и быстрое время выполнения.
②Профессиональная работа проектной группы с вами.
③Профессиональная команда QC для того чтобы гарантировать высококачественное.
④Обеспечивать обслуживание OEM & ODM.
5.What ваши условия оплаты?
T/T, L/C, западное соединение, PayPal, etc.