Мы профессиональный изготовитель опыта сверх 20 лет автомата для резки токарного станка и лазера CNC цыпленок.
Вертикальный цыпленок токарного станка челюсти полости 3 запатентованный продукт. Цыпленок токарного станка 3-челюсти встроенный цилиндр, легкий для установки, никакое внешнее электропитание, воздух от стороны для того чтобы достигнуть зажимать и отпускать. Множественные цыплят можно установить в то же время в одну рабочую зону для того чтобы осуществить мульти-станцию обрабатывая и улучшить эффективность продукции.
Этот продукт встроенный цилиндр силы, который поставлен стороной тела цыпленка для того чтобы достигнуть зажимать и отпускать без вытягивать штангу. Центр через отверстие, которое может пройти через длинный бар вала.
Принцип работы вертикального цыпленка токарного станка челюсти полости 3 что источник питания цыпленка обжатый воздух; Когда обжатые воздушные потоки в задерживающий клапан через кольцо распределения, его входят в цилиндр цыпленка, который управляет поршенем и делает челюсть плотно зажать workpiece. После этого, обращая сила клапана, воздушное давление в цилиндре загерметизирована задерживающим клапаном. Когда герметизируя прибор кольца распределения отпущен и не в контакте с телом цыпленка, оборудование можно начать для работы нормальной.
3 цыпленка токарного станка челюсти соответствующие для сверлить и выстукивая машин, филировальных машин, вертикальных токарных станков и подвергая механической обработке центров.
2. рабочие параметры
|
Цыпленок токарного станка челюсти BK160KL 3 |
|
3,7 mm |
|
32,9 KN |
|
18,5 KN |
|
0.4-0.8 MPa |
|
2-170 mm |
|
20-180 mm |
|
18,6 kg |

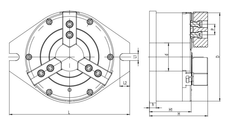
| D | d | L | L1 | L2 | H | H1 | h | p |
| 172 | 30 | 238 | 20 | 28 | 155 | 119 | 19 | 20 |
4. преимущества
| A. полный ход конструировал цыпленка лазера |
| B. широкий диапазон применений, диверсификация обработки профилей |
| C. высокая повторяющийся располагая точность |
| D. низкие расходы на техническое обслуживание, длинный срок службы |
|
E. множественные конфигурации доступны |
5. Наше обслуживание
| a. Мы сразу фабрика с хорошей ценой и быстрое время выполнения. |
| b. Профессиональная работа проектной группы с вами. |
| c. Профессиональная команда QC для того чтобы гарантировать высококачественное. |
| d. Обеспечивать обслуживание OEM & ODM. |
6.Packing & доставка




7. производственная линия


