1. Descripition
Этот цыпленок конструирован для трубы laer режа оборудование. Он может осуществить быстрый зажимать и отпускать путем поворачивать забор воздуха от стороны, disconnet источник воздуха перед работой. Он проконтролирован путем переключать одиночные и двойные цилиндры, который производит differentc зажимая силы, которое имеет больше преимуществ зажимать тонкостенные трубки и сверхмощные трубы. Эта модель имеет небольшую вращательную инерцию и уничтожает низкую энергию. Цыпленок имеет лучшее пылезащитное представление и более высокое повторение располагая точность.
2 независимых цилиндра, односторонний клапан и задерживающий клапан и он также имеют долгосрочную функцию удерживания давления (над 8 часами) внутрь. Быстрых зажимая и отпуская действий можно достигнуть через бортовое вращение воздуховода, и отключают источник воздуха для начала работы. После исправлять основание, соединяясь мотор с шестерней и обжатый источник воздуха могут осуществить зажимать и управлять работ-часть для того чтобы вращать. Она главным образом использована для работ-части зажимая и вращая.
Indepent дизайн рельса скольжения на теле плиты делает его легкий совместить и демонтировать, облегчить чистку и обслуживание, и имеет более высокую mathing точность, которая делает движение оборудования ровный и более износоустойчивый, значительно уменьшающ частоту обслуживания и запасных частей для клиентов конца, и сохраняющ цену более последней пользы.
2. рабочие параметры
|
B220H |
|
70mm |
|
2.4KN |
|
0.3-0.9MPa |
|
420r/min |
|
10-230mm |
|
145mm |
|
0.21Kg.m2 |
|
45kg |
|
107kg |
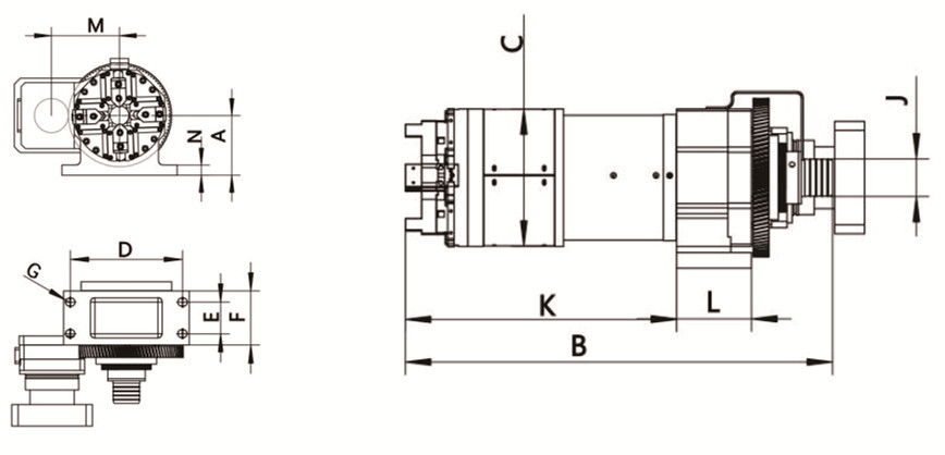
3. размеры

| Спецификации | B | C | D | E | F | G | J | K | L | M | N | |
| B220H | 145 | 684,5 | 220 | 250 | 70 | 120 | R9 | 40 | 434,5 | 120 | 165,65 | 25 |
4. преимущества
| A. полный дизайн хода |
| B. широкий диапазон применений, диверсификация обработки профилей |
| C. высокая повторяющийся располагая точность |
| D. низкие расходы на техническое обслуживание, длинный срок службы |
|
E. множественные конфигурации доступны e.2 типа Гребн или тип когти mortise-паза |
5. производственная линия

6. Наше обслуживание
| A. Мы сразу фабрика с хорошей ценой и быстрое время выполнения. |
| B. профессиональная работа проектной группы с вами. |
| C. профессиональная команда QC для того чтобы гарантировать высококачественное. |
| D. обеспечивать обслуживание OEM & ODM. |