1. Описание
Наша компания профессиональное изготовление в произведении цыплят для machiens автомата для резки лазера, токарного станка CNC и аксессуаров для токарных станков. Этот вид цыпленка можно использовать для внутреннего расширения и внешнего зажимать. Структура ее интегрированная жар-обработанная сталь. Подшипник имеет нулевую нагрузку и цыпленок имеет хорошую способность на высокой скорости и имеет длинный срок службы. Он все еще в низкой температуре вращая. Двухсторонняя сила принудить к ope collet. Когда давление прервано, само-замки цыпленка и принимают зажимая государство. Оно может запереться фронтом и установиться передним замком, водоустойчивый и пылезащитный. Collet не втягивает и может быть проконтролирован нормально. Длина точности тела не позднее 0.01mm.
Легко и удобно установить его, как раз для того чтобы сразу соединить фланец с главным валом. Его можно соединиться с системой машины через трехочковый клапан комбинации. Collet не втягивает и может быть проконтролирован нормально. Длина точности тела не позднее 0.01mm.
Этот цыплята приложены к токарным станкам, токарным станкам CNC, grindling машинам, индексирующ плиты, поворачивать работ-части серии и так далее. За исключением этого вида цыпленка, другие типы цыплят также обеспечены.
2. рабочие параметры
| JAB-40 |
| 161.6cm2 |
| 145.5cm2 |
| 0.3-0.8MPa |
| 3500r/min |
| 50mm |
| 40mm |
| 9.7/8.8 |
| 4-M8 |
| 16C |
| 2-M5 |
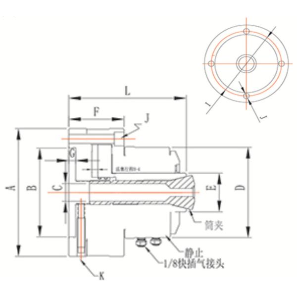
3. размеры

| Спецификации | B | C | D | E | F | G | H | Я | L | |
| JAB-40 | 187 | 150 | 40 | 133 | 72 | 50 | 5 | 8,5 | 168 | 122 |
4. преимущества
| A. полный дизайн хода |
| B. широкий диапазон применений, диверсификация обработки профилей |
| C. высокая повторяющийся располагая точность |
| D. низкие расходы на техническое обслуживание, длинный срок службы |
| E. множественные конфигурации доступны e.2 типа Гребн или тип когти mortise-паза |
5. производственная линия

6. Наше обслуживание
| A. Мы сразу фабрика с хорошей ценой и быстрое время выполнения. |
| B. профессиональная работа проектной группы с вами. |
| C. профессиональная команда QC для того чтобы гарантировать высококачественное. |
| D. обеспечивать обслуживание OEM & ODM. |