Модуль ЛКД КОГ Трансфлективе разрешения КОГ 128*128 ФСТН отрицательный с соединителем ФПК
Модуль ЛКД КОГ
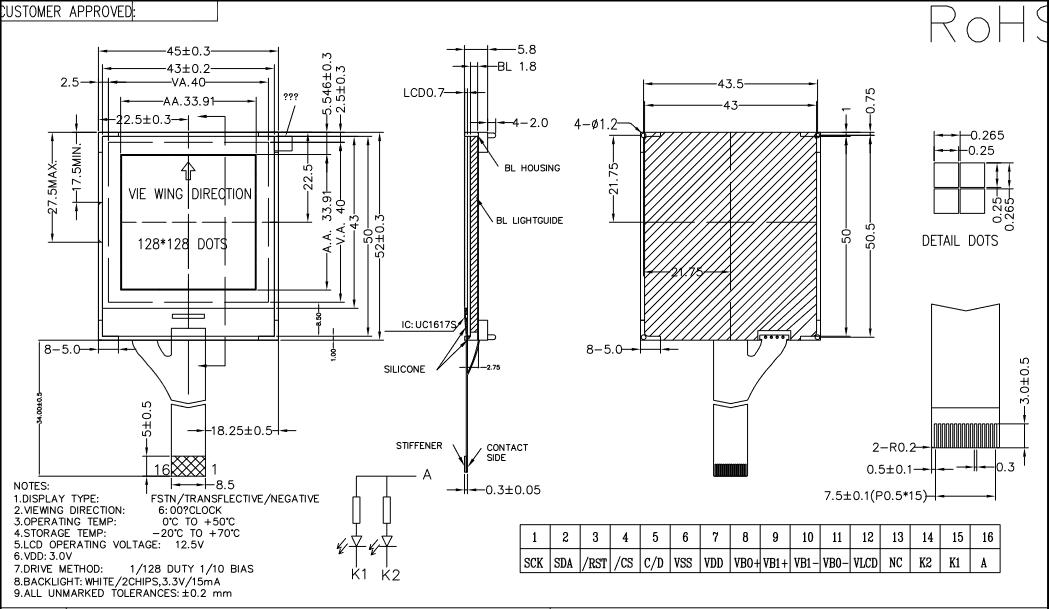
Информация о продукте
| Тип дисплея | Недостаток модуля ФСТН Трансфлективе ЛКД КОГ |
| Формат дисплея | Точки 128*128 |
| Размер плана | 52* 45 * 5,8 мм |
| Активная область | 33.91* 33,91 мм |
|
Пакет ИК
|
КОГ |
|
ИК или эквивалент
|
УК1617С |
|
Управляйте режимом
|
1/128Дуты 1/10Бяс |
| Направление просмотра | 6:00 |
|
Цвет баклигхт СИД
|
Обломоки СИД белизны 2 |
| Электропитание (тип) | 3 в |
|
Работая темп
|
-20ºк~70ºк |
| Температура хранения | -30ºк~80ºк |
| Если примите подгонянный | Да |
| Соответствие РоХС | Да |
Наши преимущества
1) Принятое небольшое количество
2) конкурентоспособная цена и короткое обслуживание задержки и самых лучших
3) ИСО 14001 РОХС/и другие родственные сертификаты доступны
4) отвечает почта в течение 24 часов
Применение
Аутоелектроникс, 3Д&Шуттер, метры & аппаратура, радиосвязь,
Отечественный электроприбор (бытовой прибор), распределители топлива,
Конторские машины, медицинское оборудование &хэалтх, дело связали объект, электроника образования, етк.
Чертеж продукта
