Модуль СТН дисплея ЛКД графика УДАРА 192С64 5В модуля ЛКД с 20ПИНс

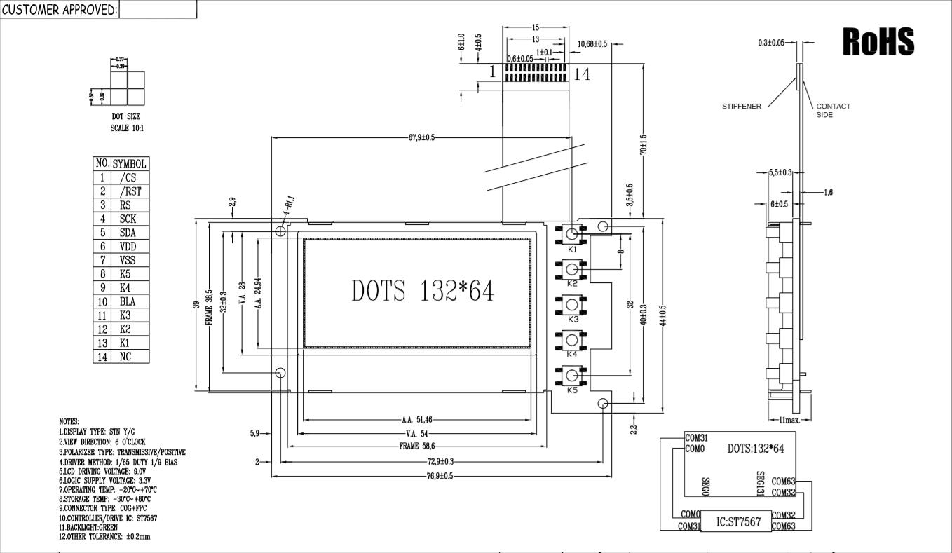
| Тип дисплея | Графический КОГ СТН И/Г модуля ЛКД |
| Разрешение дисплея | 128 * 64 |
| Тип поляризатора | Трансмиссиве/позитв |
| Зона просмотра (мм*мм) |
54мм * 28мм
|
| Размер плана (мм*мм) | 76,9мм*44м*11мм |
| Обязанность | 1/65 |
| Водитель ИК | СТ7567 |
| Соедините тип | КОГ + ФПК |
Наши преимущества
1) Принятое небольшое количество
2) конкурентоспособная цена и короткое обслуживание задержки и самых лучших
3) ИСО 14001 РОХС/и другие родственные сертификаты доступны
4) отвечает почта в течение 24 часов
Применение
Аутоелектроникс, 3Д&Шуттер, метры & аппаратура, радиосвязь,
Отечественный электроприбор (бытовой прибор), распределители топлива, умный дозор,
Конторские машины, медицинское оборудование &хэалтх, дело связали объект, электроника образования, етк.

Чертеж плана
