Позитв Трансфлективе модулей дисплея УДАРА СТН ЛКД модуля ЛКД для промышленного применения
Модуль дисплея ЛКД
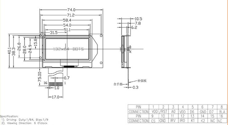
Информация о продукте
| Тип дисплея | Дисплей УДАРА СТН положительный Трансфлективе |
| Размер плана | 74 * 40,1 * 10.5.5 мм |
| Активная область |
54,00 * 28,00 мм
|
|
Пакет ИК
|
УДАР |
|
Интерфейс
|
1/64 обязанность, 1/9 смещений |
|
Цвет баклигхт СИД
|
Сторона, приведенное голубое (3пкс) |
| Электропитание (тип) | 3,3 в |
|
Работая темп
|
-20ºк~70ºк |
| Температура хранения | -30ºк~80ºк |
| Если примите подгонянный | Да |
| Соответствие РоХС | Да |
Наши преимущества
1) Принятое небольшое количество
2) конкурентоспособная цена и короткое обслуживание задержки и самых лучших
3) ИСО 14001 РОХС/и другие родственные сертификаты доступны
4) отвечает почта в течение 24 часов
Применение
Аутоелектроникс, 3Д&Шуттер, метры & аппаратура, радиосвязь,
Отечественный электроприбор (бытовой прибор), распределители топлива,
Конторские машины, медицинское оборудование &хэалтх, дело связали объект, электроника образования, етк.
Чертеж продукта
