Модуль ФСТН Трансфлективе дисплея ЛКД матрицы точки характера разрешения 20*2 УДАРА
| Тип дисплея | Экран дисплея ФСТН ЛКД матрицы точки |
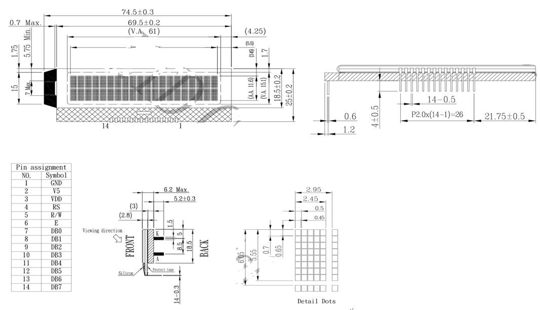
| Разрешение дисплея | 20 * 2 |
| Тип поляризатора | Позитв ФСТН Трансфлективе |
| Зона просмотра (мм*мм) |
61.00мм * 15.10мм
|
| Размер плана (мм*мм) | 74.50мм * 25.00мм * 6.20мм |
| Управлять методом | Обязанность 1/16 1/5Бяс |
| Регулятор ИК | НТ7605Х-БДТ01 |
| Угол наблюдения | 12 часа |
| Интерфейс | 8 бит у |
Наши преимущества
1) Принятое небольшое количество
2) конкурентоспособная цена и короткое обслуживание задержки и самых лучших
3) ИСО 14001 РОХС/и другие родственные сертификаты доступны
4) отвечает почта в течение 24 часов
Применение
Аутоелектроникс, 3Д&Шуттер, метры & аппаратура, радиосвязь,
Отечественный электроприбор (бытовой прибор), распределители топлива, умный дозор,
Конторские машины, медицинское оборудование &хэалтх, дело связали объект, электроника образования, етк.
Чертеж плана
