ЖК-дисплей с символами - это технология жидкокристаллического дисплея, используемая в электронных устройствах, которые отображают текст и простые иконки, обычно представленные в фиксированном размере и расположении символов.16x2 символов LCD относится к жидкокристаллическому дисплею (LCD) модуль, который может отображать 16 символов в каждом из его 2 рядовОн обычно известен как 16x2 символов LCD или 16x2 алфавитно-цифровой LCD.Экраны персонажей обычно потребляют меньше энергииОни обычно используют подсветку для обеспечения видимости, а яркость подсветки может регулироваться с помощью элементов управления для экономии энергии.Вот таблица данных нашего 16x2 символа LCD модуля.
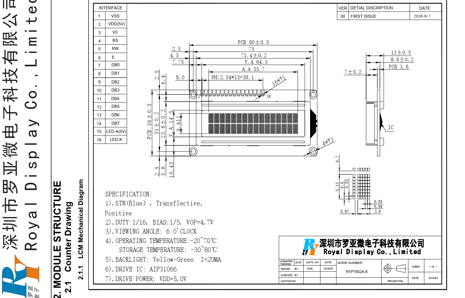
В таблице приведены специальные инструкции для 16x2 символов LCD модуля.
| Диаграмма Размер ((мм) | 80 ((L) x 36 ((W) x 13.0 ((T) |
| Тип ЖК | СТН,НЕГАТИВНО ((YG),ТРАНСМИССИВНО |
| Тип дисплея | 16 (знаков) × 2 (строки) |
| Область обзора ((мм) | 64.5 ((L) x14.5 ((W) |
| Размер точек ((мм) | 0.54 ((W) x0.60 ((H) |
| Протяженность точек ((мм) | 0.59 ((W) x0.65 ((H) |
| Размер символа ((мм) | 2.9 ((W) x 5.15 ((H) |
| Состояние водителя | Модуль ЖК-дисплея:1/16Должность,1/5Предубеждение |
| Управляющий и водитель | AIP31066 |
| Просмотр направления | Шесть часов. |
| Режим интерфейса | 8-битный интерфейс MPU |
| VDD&VOP (тип) | 5.5В |
| Заднего освещения (тип) | Белая сторона |
| Операция " Время " | -20 до +70 |
| Хранение. | -30 до +80 |
Рисунок 2004 символа LCD модуля

Модуль символов - это алфавитно-цифровой дисплей, который может отображать символы, символы и цифры.,Некоторые распространенные приложения - промышленные материалы, BPG, POS-машины, стиральные машины.,термометр, калькулятор, скоростной счетчик автомобиля, GPS-трекер, электрическая плитка, крючок для волос, топливный диспенсер, часы и так далее.

• Профессиональная команда для предоставления предпродажного, послепродажного и послепродажного обслуживания.
• OEM&ODM сервис.
• Дизайн и сопутствующие процедуры.
• Лучшее качество по цене на фабрике.
• Быстрое обслуживание в течение 24 часов.
• Годовая гарантия.
Royal Display Co., Ltd специализируется на LCD-бизнесе уже более 10 лет, продукты диапазона LCD дисплей, LCD-экран, LCD-модуль, Характер LCD, светодиодный светодиодный дисплей, TFT дисплей, графический LCD,7 сегмента светодиодного дисплея. Более 90% продуктов являются индивидуальными продуктами. Кроме того, мы можем предоставить много аксессуаров, чтобы пойти с вашим дисплеем. Если вы хотите источник разъема, кабеля,испытательный гиг или другой аксессуар, предварительно смонтированный на ваш ЖК-дисплей (или просто включенный в упаковку), наша профессиональная команда убедится, что вы получите необходимые предметы.
Вопрос 1: Как я могу сделать заказ?
- Пожалуйста, пожалуйста, отправьте нам электронное письмо с указанием номера товара, замены, количество, другие спецификации для жесткого диска для размещения заказа.
Q2: Какой способ оплаты вы принимаете?
- Мы принимаем T/T, Western Union, MoneyGram, Paypal.
Q3: Могу ли я получить образец?
-Конечно, мы предоставляем образцы, но пожалуйста, пожалуйста, оплатите некоторые издержки за образцы и доставку.
Q4: Сколько времени для доставки?
- Это зависит от продуктов и услуг, которые вам нужны, но обычно мы отправим их как можно скорее.
Q5: Как будут отправлены товары?
- Мы отправляем через DHL, UPS, TNT и другие.