0,96" oled модуль 128*64 Oled матрицы дисплея пассивный ставит точки штырь 4
Быстрые детали
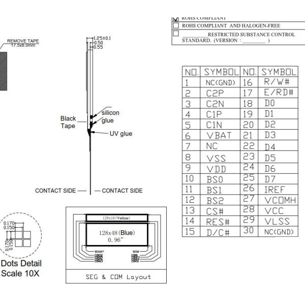
| Детали | Спецификация | Блок |
| Раскосный размер | 0,96 | Дюйм |
| Разрешение | 128*64 | Точки |
| Активная область | 21,74 (w) x 11,20 (h) | mm 2 |
| Размер плана | 24,70 (w) x 16,60 (h) | mm 2 |
| Тангаж пиксела | 0,170 (w) x 0,170 (h) | mm 2 |
| Размер пиксела | 0,150 (w) x 0,150 (h) | mm 2 |
| Водитель IC | SSD1315Z | - |
| Цвет дисплея | Голубой & желтый | - |
| Масштаб серого цвета | 1 | Сдержал |
| Интерфейс | I2C / Сериал/8080/6800 | |
| Тип пакета IC | COG | - |
| Тип модуля соединяясь | Припой | - |
| Толщина | 1,25 ±0.1 | mm |
| Вес | 1.1±10% | g |
| Обязанность | 1/64 | - |
| Рабочая температура | -40℃ к +70℃ | |
| Температура хранения | -40℃ к +80℃ |
Проверка качества
Qihang всегда придерживается «качественной сперва» концепции, строго контролируется различные процессы деятельности продукции, и проводится осмотр 100% погруженных продуктов.
Политика образца
Свяжитесь мы для информации о нашей политике образца
Упаковка & доставка
| Упаковка | 1, для стеклянной панели lcd мы используем поли пену, хлопок жемчуга или подгонянную пластиковую внутреннюю пусковую площадку. 2, для модулей lcd мы используем пусковую площадку пены внутреннюю и одиночную сумку волдыря наружные. 3, для наружной упаковки мы используем высокосортную стандартную коробку экспорта. 4. Паковать части согласно товарам размеру и форме. 5, мы обеспечиваем подгонянное обслуживание пакета с низкой ценой. | ||
| Оплата | 1, мы признаваем T/T, PayPal, наличные деньги, грамм денег, Escrow, etc. 2, заказ образца: 100% перед чертежом Оффициальное распоряжение: депозит 30% перед продукцией, балансом 70% и перевозкой перед кораблем 3, клиенты нужно оплатить ваши бортовые гонорар, налог таможен и дополнительные платы если вы в отдаленных областях 4, мы можем объявить ваши товары на низком значении для того чтобы помочь вам избежать налогов | ||
| Доставка | 1, авиационный груз: 7-15 дней Груз моря: 15-35 дней Международное срочное воздуха: DHL (порекомендуйте)/Federal Express/UPS/TNT (3-5days) Столб EMS/China/столб Гонконга (10-20days) 2, мы грузим товары в течение 2 дней позже получили вашу оплату 3, мы отправим вами отслеживая номер на следующий день после того как товары будут погружены 4, после делают пересылку, мы также следовать вашими товарами, если вы не получаете коробку в срок, то пожалуйста свяжутся мы непосрественно, мы помогут получить коробку ровно | ||
Применение продукта
Наши продукты использованы в широком диапазоне применений, как радиотехническая аппаратура, медицинское оборудование, промышленное оборудование и умный дом.
Преимущество
1. Дисплей LCD и LCM: Дизайн, изготовляя LCD и LCM (TN, STN, FSTN, TFT); Обслуживание OEM для модулей LCD COG, ПЛАТЫ и УДАРА.
2. гарантия: Для обеспечения нашего качества продукции, каждый процесс aranged QC. И много предварительных машин ввели для проверки качества продукции. Товары будут иметь тест ramdom перед доставкой. Один год для гарантии под нормальной пользой.
Замена и гарантия продукта
Если вы имеете любую проблему prodcut качественную, то вы можете отправить его назад в нас с первоначальным состоянием, мы отремонтируем или обменяем новое одно для вас.
Если вы имеете любую используя проблему продуктов, то которые покупают от Qihang, пожалуйста обратная связь к нам во-первых, и нам обсудит вопрос с вами. Через нашу службу технической поддержки, мы можем выкопать вне вашу используя проблему через нашу службу технической поддержки в большем части из случаев.
Потерянные продукты: Если продукты выпадают из ускорения в доставке, или вы все еще не получаете ваш деталь в течение длительного времени, то пожалуйста свяжитесь наше обслуживание клиента своевременное. Мы общаемся с этим КАК МОЖНО СКОРЕЕ. Пожалуйста не общайтесь с ним в одиночку, мы хотеть вас связывайте с нами. Обычно, мы подадим отслеживая номер и связь отслеживать своевременная. Если продукты выпадают из ускорения на пути и нас для того чтобы получить, что подтвердили от курьеров, то мы аранжируем redelivery для ваших продуктов. Если вы хотите корабль, то оно до конца выражает, тогда вам нужно оплатить срочный грузя гонорар.
Техническое обслуживание
Если вы имеете техническую проблему с продуктом, то вы получили от нас, пожалуйста свяжетесь мы онлайн или электронной почтой
Удаленная помощь обслуживать: Если вашей проблеме нужно быть разрешенным удаленной помощью нашим инженером, то пожалуйста загрузите программное обеспечение teamviewer, установите его на ваш компьютер, тогда дайте нам ID и пароль для удаленной помощи.
вопросы и ответы
Q: Как могу я получить образцы? Стандартный образец и таможня.
: Изготовленный на заказ образец: Отправьте → дознания предложите цитату →Confirm цитаты & оплатить оборудуя → обязанности обеспечьте рисуя → для того чтобы подтвердить рисуя → для того чтобы сделать оборудовать & образцы → образцов закончили доставку → через перевозку или море собирает
Q: Сколько времени могу я рассчитывать получить образец?
: Стандартный образец: работа 3 через дни после подтверждать заказ.
Изготовленный на заказ образец: согласно основанию притяжки на 5-20 дней
Q: Можете вы конструировать LCD в соответствии с нашим требованием?
: Да. Мы передадим вам самая лучшая оборудуя обязанность.
Q:. Что гарантия?
: Один год
Q: Как сделать заказ заказы?
: Если вы подтверждаете образцы ок, то пожалуйста отправьте нами ваш заказ на покупку электронной почтой или факсом, тогда мы отправим вами фактуру для оплаты депозита. Нам нужно знать следующую информацию вашего заказа.
1. информаци-количество продукта, номер детали
2. Требуемый срок поставки.
3. грузя имя информаци-компании, адрес улицы, номер Phone&Fax, морской порт назначения.
4. Детали контакта товароотправителя если вы имеете любые в Китае.
Q: Что ваш грузя метод?
: Мы обеспечиваем всесторонние грузя методы. Дисплей
Для заказов небольшого количества мы грузим UPS Воздушно-срочным, или обслуживание DHL/FEDEX/TNT/EMS срочное, оно безопасно и быстро.
Для заказов большого количества мы грузим агентом груза покупателя в Китае, мы можем также грузить самолетом транспорт или транспорт моря.
Q: Вы предлагаете изготовленное на заказ решение?
: Да, мы можем предложить изготовленное на заказ решение если стандартные продукты не смогли соотвествовать buyer.
Q. Что ваше условие оплаты?
A. Мы имеем T/T, L/C, западное соединение, etc.
Чертеж продукта

