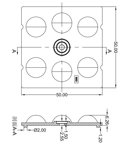
5050 SMD 6 в 1 оптически объективе СИД PMMA на уличное освещение 90 градусов
НАБОРЫ ОПТИЧЕСКОГО & ДЕРЖАТЕЛЯ:
СИД оптическое и наборы держателя содержат и рефлектор/объектив СИД плюс держатель. Эти вызваны собраниями объектива или наборами рефлектора.
| Номер детали | JY-AAL0690P-5050 |
| Угол пучка | 90 градусов |
| Размер | L50*W50 |
| Материал объектива | PMMA |
| Пропускаемость | 93% |
| Работая температура | ≤ 90℃ объектива |
| Применение | Уличный свет СИД, высоким приведенная путем лампа, etc |
Количество СИД в Len:
Ясный/отраженный:
Ясные объективы обеспечивают хрустящая корочка-окаимленный луч света. Отраженный объектив имеет более мягкий край.
Диффузия может также предложить более равномерный выходной сигнал когда множественное СИД использовано.
Чертеж объектива СИД:


IES:

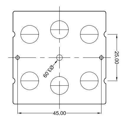
Размер PCB:
