ОБЛОМОК СИД 3V 700MA 2W КЕРАМИЧЕСКИЙ 3030 390-400LM SMD ДЛЯ PLANTLIGHTING
Значения символа параметра
| Рабочая температура |
T op |
MIN. максимальный. |
-40 °C °C 120 |
| Температура хранения |
T stg |
MIN. максимальный. |
-40 °C °C 120 |
| Температура соединения | T | максимальный. | °C 135 |
| Absolute* температуры соединения | Tjabs | максимальный. | °C 150 |
| Пропускной ток | Я |
MIN. максимальный. |
100 мам 1800 мам |
|
Течение пульсации µs ≤ 10 t; D = 0.005%; TJ = °C 25 |
FS | максимальный. | 2000 мам |
| Обратное напряжение 2) | V | Не конструированный для обратной деятельности | |
|
ESD выдерживает напряжение тока acc. к ANSI/ESDA/JEDEC JS-001 (HBM, классу 3B) |
ESD | 8 kV |
Это подтвержено путем испытывать 30 частей. Критеря по пропуска: Никакие позволенные неожиданные отказы, светящий поток не должны быть лучшими чем L70B50 после H. 1000.
Характеристики
Я = 700 мам; TJ = °C 25
Параметр Символ Значения
| Угол наблюдения на 50% IV | 2φ тип. ° 140 |
|
Пропускное напряжение 4) Я = 700 мам |
VF MIN. 2,80 v тип. 2,90 v максимальный 3,20 v |
| Обратное настоящее 2) | Инфракрасн Не конструированный для обратной деятельности |
| Электрическое соединение/solderpoint термального сопротивления с ηe эффективности = 65% | RthJS электрическое тип. 1,6 K/W |
Группы пропускного напряжения
Пропускное напряжение группы 4)
Я = 700 мам
VF:
| 2.8v | 2.9v |
| 2.9v | 3.0v |
| 3.0v | 3.1v |
| 3.1v | 3.2v |
Относительное спектральное излучение
Irel = f (λ); ЕСЛИ = 700 мам; TJ = °C 25
Характеристики радиации
Irel = f (ϕ); TJ = °C 25



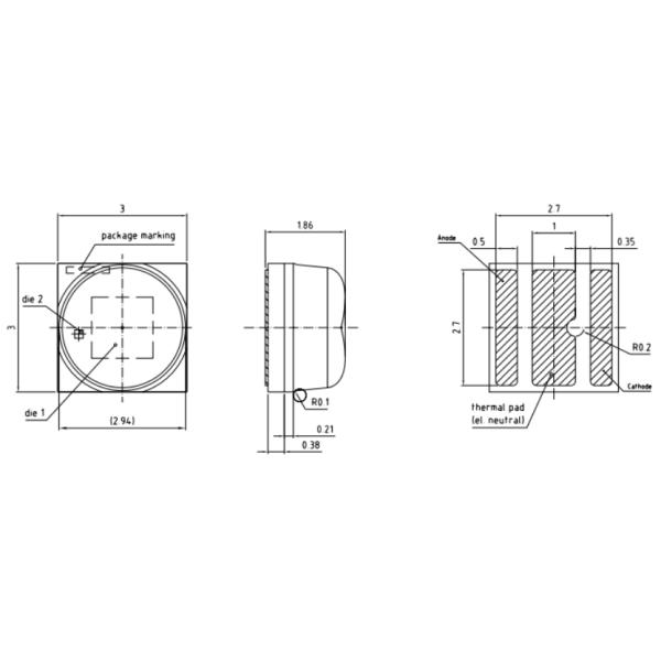
Габаритный чертеж

Более подробная информация: mg 29,0
Приблизительный вес: Маркировка пакета: Катод
Коррозийное испытание: Класс: 3B
Условие испытаний: RH 40°C/90%/15 ppm H2S/14 дней (более строгих чем IEC 60068-2-43)
Совет ESD: Прибор защищен прибором ESD который соединять параллельно к обломоку.
Профиль паять Reflow
Продукт исполняет к acc уровня 2 MSL. к JEDEC J-STD-020E

Особенность профиля Символ Pb свободное от собрание (SnAgCu) Блок
Минимальный максимум рекомендации
|
Тариф пандуса-вверх к preheat*) 2 °C 25 к °C 150 |
3 | K/s |
|
tS 60 100 T к t |
120 | s |
|
Тариф пандуса-вверх к peak*) 2 T к t |
3 | K/s |
| Температура TL Liquidus 217 | °C | |
| Время над температурой tL liquidus 80 | 100 | s |
| Пиковая температура t 245 | 260 | °C |
|
Время внутри °C 5 определенного пика 10 20 температура TP - 5 k |
30 | s |
|
Rate* пандуса-вниз 3 T к °C 100 |
6 | K/s |
|
Время °C 25 к TP |
480 | s |
Все температуры ссылаются на центр пакета, измеренный на верхней части компонента * вычисления DT/Dt наклона: Dt максимальные 5 s; выполнение для всего T-