Мы изготовитель обрезанного конца и обрезанного конца поставки высококачественного и в большой и небольшие количества всемирно и предлагаем вам самые лучшие цены в рынке.
Мы имеем команду опытных профессионалов с летами опыта в изготовляя обрезанных концах штуцеры используемые вместо сваренных фланцов где вращая резервные фланцы пожеланы. Они также вызваны соединениями подола и Vanstone Flared подолы. Места сами вращая резервные фланца против задней поверхности обрезанного конца. Когда болты добавлены, зажимая действие болтов отжимает вращая резервный фланец против задней части обрезанного конца. Поверхность набивкой обрезанного конца после этого отжимает против набивки и другой поверхности набивкой обеспечивая соединения как стандартные соединения фланца. Уплотнение сделано поверхностью набивкой обрезанного конца самостоятельно, фланец только обеспечивает силу зажима на соединении.
Наши высококачественные обрезанные концы (штуцеры сварного соединения встык) испытаны и подтвержены для стойкости, точности и точности. Обрезанные концы изготовлены во всех стандартных размерах. Обрезанные концы обеспечены со стандартным наклоном сварки и могут быть доступны в приданный квадратную форму, служенный фланцем, victaulic и нарезанный конец. Мы предлагаем обрезанные концы на сильно конкурентоспособных ценах.
Ключевое слово: Обрезанные концы, обрезанный конец соединения подола, соединения подола, Vanstone Flared подолы
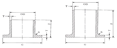
Обрезанный конец рисует
