клетки низкой температуры гальванических элементов 3.2V 40AH Lifepo4 для электротранспортов, солнечной системы
Что Lifepo4?
Батарея фосфорнокислого железа лития середины батареи LiFePo4 которая вид батареи иона лития перезаряжаемые. Одиночное напряжение тока 3.2V и емкость может быть 90mAH к 300AH.
Батареи LiFePo4 самый безопасный тип батареи лития в настоящее время доступный на рынке сегодня. С характеристикой более светлого веса, более небольшой размер, более длинная жизнь цикла, свободное maitainance, никакое загрязнение, никакое влияние памяти они могут полно заменить свинцовокислотные батареи и батареи Ni-MH/Ni-CD.
Benergy производящ и экспортирующ клетки Lifepo4 в виду того что 2009 и мы решения обеспечивать качественные, надежные и безопасные батареи worldwidely.
Что клетки низкой температуры?
Для того чтобы соотвествовать некоторых клиентов, Benergy начало тип клеток низкой температуры (3.2V 40Ah и 3.2V 50AH) которые могут работать под -30°C или -40°C.
Эти типы консервной банки клеток используемые для окружающей среды низкой температуры extrem.

клетки BLT-LFP40AHP 3.2V 40Ah Lifepo4
| Тип продукта | Клетка фосфорнокислого железа лития |
| Тип раковины | Алюминиевая раковина |
| Фирменное наименование | Benergy |
| Напряжение тока | 3.2V |
| Номинальная емкость | 40AH |
| Емкость сурика | 40AH |
| Инфракрасн | ≤0.7mΩ |
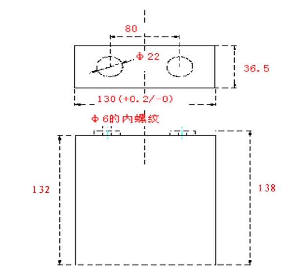
| Размер | 36*130*138mm (w, l, h) |
| Вес | 1250g±150g |
| Режим обязанности | CC/CV (непрерывно протекающий ток/непрерывное напряжение тока) |
| Максимальное течение обязанности | 40A (1C) |
| Обязанность отрезала напряжение тока | 3.65V±0.05 |
| Стандартный разряд тока | 20A (0.2C) |
| Максимальное течение непрерывного разряда | 200A (5C) |
| Пиковый sec разряда тока @3 | 300A |
| Разрядка отрезала напряжение тока | 2.5V |
| Жизнь цикла | >2500 раз (обязанность 0.5C/разрядка, DOD 100%) |
| Температура выхлопа | -40~55℃ |
| Температура обязанности | 0~45℃ |
| Применение | Здание sation телекоммуникаций, солнечная система, накопление энергии, тележка гольфа, EV etc. |
| Гарантия | 2 лет |
| OEM/ODM | Да (принятый) |
Диаграмма клетки

Изображение клетки:

Почему выберите Benergy Lifepo4?
Дизайн:
Teminal винта, легкое для составлять пакета и клетки заменяя в пакете.

Бренд:
Качество:
* профессиональный создатель клетки фосфорнокислого железа лития с 2009 когда технология клетки Lifepo4 все еще довольно нова.
