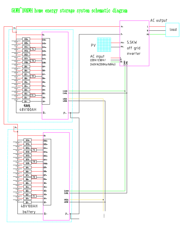
блок батарей лития 5KWh 48V 100Ah для домашней системы накопления энергии оборудованной с инвертором 5KW
спецификация инвертора батареи and5KW 48V 100Ah 5KWh LiFePo4
| Параметры батареи | Деталь | Клетка | Блок батарей |
| Параметр | 3.2V 6Ah | 51.2V 100Ah | |
| Количество | 288 | 1 | |
|
Производительность системы
|
5kWh (смогите быть параллельный к 10KWh) | ||
| Эффективность всеохватывающей системы | 90%±5% | ||
| DOD | 80% | ||
| Фактическая наличная мощность | ≥4.6kWh | ||
| Жизнь цикла | Над 4000 циклами (0.3C циклом, 25℃ (удерживание 80% емкости) | ||
| Непрерывное поручая течение (a) | 20A (регулируемое) | ||
| Течение непрерывного разряда (a) | 40A (регулируемое) | ||
| Обязанность полной мощи и тариф разрядки | 0,3 c | ||
| емкость энергии батареи | 25°C 4kWh (тариф 100% DOD @ 1C) | ||
| - 20°C 3,6 kWh (тариф 100% DOD @ 1C) | |||
| Температура хранения | < 45=""> | ||
| Саморазряжение | 25°C, ≤5% в месяц | ||
| Оценка IP приложения | IP55 | ||
| Спецификация инвертора | |||
| Модель | 5.5kW | ||
| Параметры | Непрерывная сила: (KW) пиковая сила 5,5: 11 (KW) 5S | ||
| Центральное курс напряжение тока: (Vdc) 51,2 (утюг лития) | |||
| Поручая течение: (A) 0~80 (регулируемый) | |||
| Предельное напряжение заряда: (V) 58,4 | |||
| Максимальный разряд тока: (A) 100 (регулируемый) | |||
| Ряд напряжения на сетке: Течение входного сигнала 230VAC±5% максимальное: частота 100A: 50Hz | |||
| Ряд напряжения тока инвертора: частота 230Vac±5% (режим инвертора): форма волны выхода 50/60Hz±1% (автоматическое обнаружение): Чистая эффективность волны синуса: функция предохранения от >90% (нагрузка 88%resistive): Над напряжением тока и под предохранением от напряжения тока, предохранение от перегрузки, предохранение от короткого замыкания, над предохранением от температуры. | |||
Интерфейс блока батарей



Принцип деятельности

Положение установки:
Рассматривайте внизу пункты перед выбирать положение установки:
1 никакие огнеопасные или взрывчатые вещества
2. Пол плосок и ровен.
3 установите систему в видимое положение так, что потребитель сможет прочитать параметр дисплея LCD в любое время.
4 область совершенно водоустойчиво
5 убеждайтесь что 20 расстояний от 2 сторон, 50 расстояний см см от дна блока.
6 температура окружающей среды внутри ряд от 0°C к 55°C.
7 температура и влажность поддержаны на постоянн уровне.
8 районы установки избегут сразу солнечного света
9 расстояние от выхода воздуха инвертора больше в чем 0,5 метра.
10 расстояние от теплового источника больше в чем 2 метра.
11 минимальные пыль и грязь в области.