Электрическая тележка паллета также вызвана электрическим паллетом поднимает домкратом или электрический автомобиль паллета. Соответствующее для сверхмощной и долгосрочной перегрузки груза. Оно может значительно улучшить эффективность обработки груза и уменьшить трудовую модель intensity.he соответствующий для подниматься и двигать в небольшой и средний склад и производственные площади, где приложена средняя система шкафа высоты с узким проходом. Однако, требования в больших фабриках устанавливают также повышения драматически недавно, где также имейте подобное материальное складское помещение, или имеют индивидуальные рабочие зоны потребность само-отвечает оборудование.
1. Небольшое тело, легковес, может работать в узком проходе, максимальной допускаемой нагрузке в лифт, и может работать в поле легкой нагрузки.
2. Все контрольные части сконцентрированы в конце handlebars, который легок для того чтобы работать и не требует профессиональный управлять.
3. Используя эффективный AC тракторный двигатель имеет большую силу тракции, идя скорость и может принести тяжелую погрузо-разгрузочную работу.
4. Поднимаясь система принимает объединенную станцию гидронасоса. Когда поднимаясь кнопка активирована, материал можно подняться нежно, кнопка падения активирована, и гидравлический цилиндр можно автоматически восстановить, и материал можно медленно понизить.
5. Система самой последней stepless скорости регулированная транзистора MOS выбрана для идя управления скоростью. Работая, скорость переднего и отсталого можно контролировать согласно нагруженным товарам, окружая окружающей среде и случайному контролю. Если импортированная система stepless скорости регулированная выбрана, то несколько процедур контроля можно составить, и влияние лучшее.
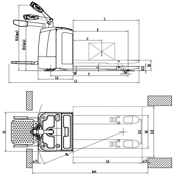
| Модель | CBD20 | CBD30 | |
| Режим привода | Электрический | Электрический | |
| Путь привода | Стоять | Стоять | |
| Емкость нагрузки | Q (kg) | 2000 | 3000 |
| Центр нагрузки | c (mm) | 600 | 600 |
| Переднее свисание | x (mm) | 875/945 | 945 |
| Колесная база | y (mm) | 1271/1341 | 1341 |
| Вес | kg | 650 | 685 |
| Нагрузка оси, фронт/задняя ось на максимальной допускаемой нагрузке | kg | 1300/1410 | 1505/1745 |
| Нагрузка оси, фронт/задняя ось на нулевой нагрузке | kg | 600/110 | 630/120 |
| Колесо | полиуретан | полиуретан | |
| Размер колеса, переднее колесо | Φ250×70 | Φ250×70 | |
| Размер колеса, заднее колесо | Φ82× 126(98) | Φ82× 126(98) | |
| Колесо тренировки | Φ127×57 | Φ127×57 | |
| Колесо, фронт/заднее количество (колесо X=drive) | 1×+2/4 | 1×+2/4 | |
| Передняя колесная база | b10 (mm) | 490 | 490 |
| Задняя колесная база | b11 (mm) | 370/505 | 505 |
| Поднимаясь высота | h3 (mm) | 120 | 120 |
| Минимальная/максимальная высота работая ручки управляя | h14 (mm) | 1150/1430 | 1150/1430 |
| Min.Height | h13 (mm) | 82 | 82 |
| Длина | l1 (mm) | 1780/1850 | 1850 |
| Длина вилки | l2 (mm) | 1220 | 1220 |
| Ширина | b1 (mm) | 775 | 775 |
| Размер вилки | s/e/l (mm) | 55×170×1150/1220 | 55×170×1220 |
| Ширина вилки | b5 (mm) | 550/685 | 550/685 |
| Земной просвет | m2 (mm) | 30 | 30 |
| Ширина Passway, паллет 1000*1200 | Ast (mm) | 1910/1960/2030 | 1985/2035/2105 |
| Ширина Passway, паллет 800*1200 | Ast (mm) | 2010/2010/2030 | 2085/2085/2105 |
| Поворачивая радиус | С a (mm) | 1600/1700 | 1700 |
| Нагрузки скорости привода, полной/пустой | Km/h | 7.9/8 | 6.9/7 |
| Нагрузки скорости подъема, полной/пустой | m/s | 0.039/0.056 | 0.039/0.056 |
| Нагрузки скорости Decend, полной/пустой | m/s | 0.064/0.050 | 0.064/0.050 |
| Склоняет, полная/пустая нагрузка | % | 6/12 (8/15) | 6/12 (8/15) |
| Нагрузки Gradeability, полной/пустой | % | 8/20 (12/20) | 6/20 (10/20) |
| Тормоз | Электромагнитный | Электромагнитный | |
| Сила двигателя | kw | 1,2 (1.5) | 1,5 (1.5) |
| Сила мотора подъема | kw | 1,2 | 2,2 |
| Вольт батареи/емкость | V/Ah | 24/210 | 24/210 |
| Вес батареи | kg | 180 | 180 |
| Размер батареи (Length*Width*Height) | mm | 750*170*534 | 750*170*534 |
| Уровень шума DIN12053 | dB (a) | 70 | 70 |
